W-32BSO
Cat:Trasportatore di ruote da taglio
Tipo D*w*d*b Lancia Dimensione del telaio ...
Struttura avanzata, prestazioni di alta qualità, facile da usare, alta affidabilità e durata.

Tipo D*w*d*b Lancia Dimensione del telaio ...
| Tipo | D*w*d*b | Lancia | Dimensione del telaio H*W1*W2*W3*T. | Altezza H | Lunghezza L | Pitch ruota P | Caricamento a ruota singola (kg) | Tipo di frame |
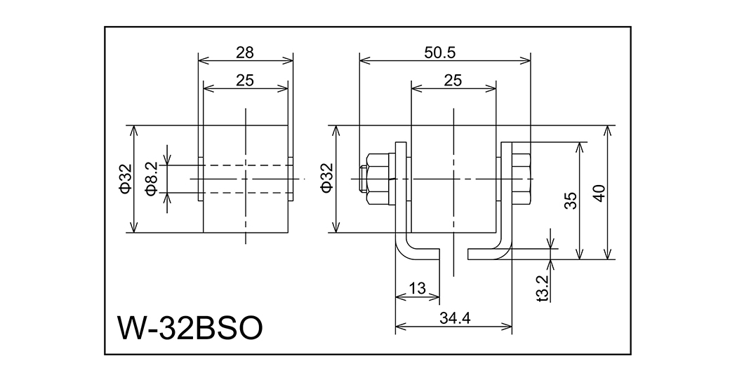
| W-32BSO | 32x25x8.2x28 | M8X45L | 35x34.4x13x50.5x3.2 | 40 | 1000 · 2000 · 3000 | 40 · 70 · 100 | 90 | A |

Tipo D*w*d*b Lancia Dimensione del telaio ...
| Tipo | D*w*d*b | Lancia | Dimensione del telaio H*W1*W2*W3*T. | Altezza H | Lunghezza L | Pitch ruota P | Caricamento a ruota singola (kg) | Tipo di frame |
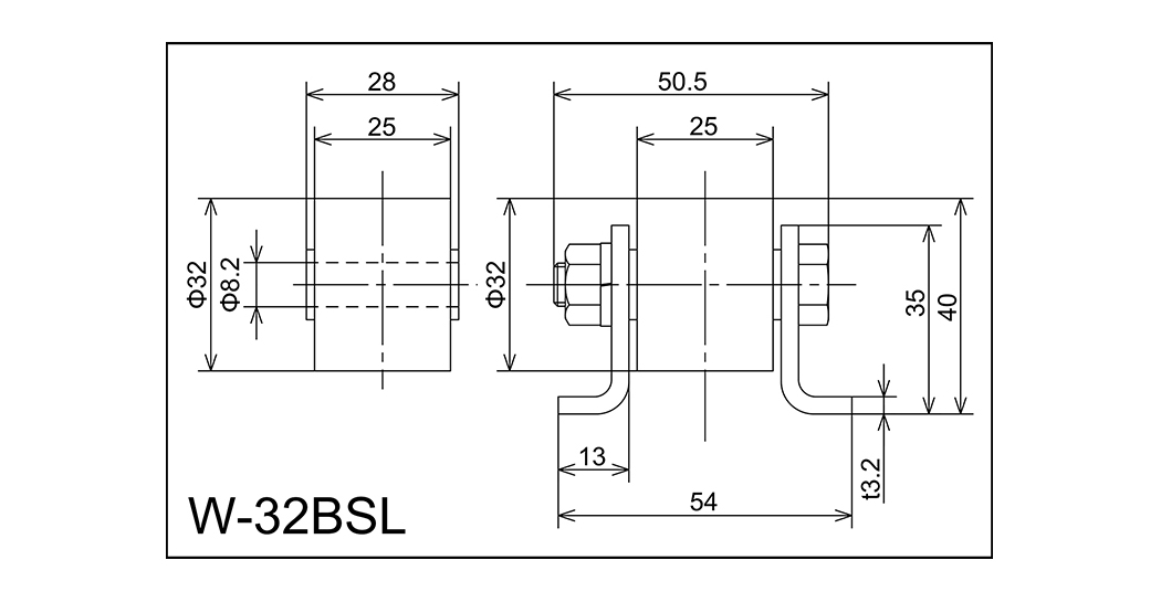
| W-32bsl | 32x25x8.2x28 | M8X45L | 35x54x13x50.5x3.2 | 40 | 1000 · 2000 · 3000 | 40 · 70 · 100 | 90 | C |

Tipo D*w*d*b Lancia Dimensione del telaio ...
| Tipo | D*w*d*b | Lancia | Dimensione del telaio H*W1*W2*W3*T. | Altezza H | Lunghezza L | Pitch ruota P | Caricamento a ruota singola (kg) | Tipo di frame |
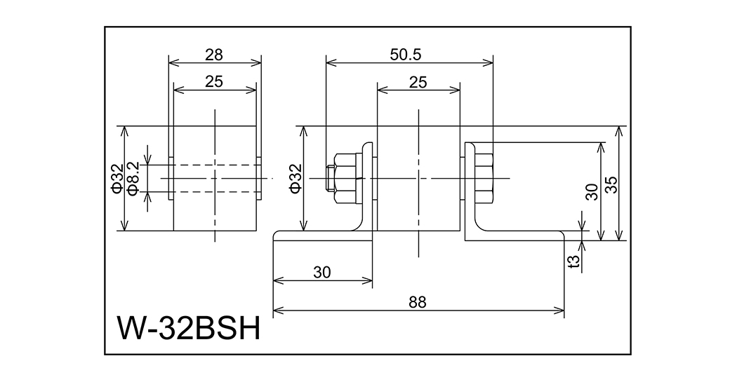
| W-32BSH | 32x25x8.2x28 | M8X45L | 30x88x30x50.5x3.0 | 35 | 1000 · 2000 · 3000 | 40 · 70 · 100 | 90 | L |

Tipo D*w*d*b Lancia Dimensione del telaio ...
| Tipo | D*w*d*b | Lancia | Dimensione del telaio H*W1*W2*W3*T. | Altezza H | Lunghezza L | Pitch ruota P | Caricamento a ruota singola (kg) | Tipo di frame |
| W-36BS | 36x9x6.2x25 | M6X38L | 45x29.6x10x42x2.3 | 51 | 1000 · 2000 · 3000 | 50 · 75 · 100 · 150 | 40 | A |

Tipo D*w*d*b Lancia Dimensione del telaio ...
| Tipo | D*w*d*b | Lancia | Dimensione del telaio H*W1*W2*W3*T. | Altezza H | Lunghezza L | Pitch ruota P | Caricamento a ruota singola (kg) | Tipo di frame |
| W-50DS | 50x14.5x12.2x20 | M12X40L | 60x70x25x48x3.2 | 65 | 1000 · 2000 · 3000 | 75 · 100 · 150 · 200 | 100 | D |
| WB-36BS | 36x9x6.2x25 | M6X35L | 45x28.2x8.5x39x1.6 | 52 | 1000 · 2000 · 3000 | 50 · 75 · 100 | 40 | E |
| WB-36cs | 36x9x8.2x28 | M8X40L | 42.3x60x31.2x45x2.3 | 49.3 | 1000 · 2000 · 3000 | 50 · 75 · 100 | 40 | L |
| W-36cs | 36x9x8.2x28 | M8X40L | 42.3x60x32.6x45x2.3 | 47.3 | 1000 · 2000 · 3000 | 50 · 75 · 100 · 150 | 40 | J |
| W-36BW | 36x9x8.2x14 | M8X55L | 46,3 × 60 × 33 × 71 × 2: 3 | 52.3 | 1000 · 2000 · 3000 | 50 · 75 · 100 · 150 | 40 | K |
| W-36WW | 36x9x8.2x14 | M8X45L | 40x108x40x50.5x3 | 45 | 1000 · 2000 · 3000 | 30 · 40 · 50 · 75 | 40 | M |
| W-50WW | 50x14.5x12.2x20 | M12X65L | 50x140x50x73x6 | 60 | 1000 · 2000 · 3000 | 40 · 50 · 75 | 100 | M |
| HG-W50DS | 50x14.5x12.2x20 | M12X40L | 60x70x25x48x3.2 | 65 | 1000 · 2000 · 3000 | 75 · 100 · 150 · 200 | 100 | D |
| HW-76DS | 76.3x30x30x44 | φ30x75L | 100x145x50x75x5 | 105 | 1000 · 2000 · 3000 | 100 · 200 · 300 | 1000 | O |

Tipo D*w*d*b Lancia Dimensione del telaio ...
| Tipo | D*w*d*b | Lancia | Dimensione del telaio H*W1*W2*W3*T. | Altezza H | Lunghezza L | Pitch ruota P | Caricamento a ruota singola (kg) | Tipo di frame |
| WB-36BS | 36x9x6.2x25 | M6X35L | 45x28.2x8.5x39x1.6 | 52 | 1000 · 2000 · 3000 | 50 · 75 · 100 | 40 | E |

Tipo D*w*d*b Lancia Dimensione del telaio ...
| Tipo | D*w*d*b | Lancia | Dimensione del telaio H*W1*W2*W3*T. | Altezza H | Lunghezza L | Pitch ruota P | Caricamento a ruota singola (kg) | Tipo di frame |
| WB-36cs | 36x9x8.2x28 | M8X40L | 42.3x60x31.2x45x2.3 | 49.3 | 1000 · 2000 · 3000 | 50 · 75 · 100 | 40 | L |

Tipo D*w*d*b Lancia Dimensione del telaio ...
| Tipo | D*w*d*b | Lancia | Dimensione del telaio H*W1*W2*W3*T. | Altezza H | Lunghezza L | Pitch ruota P | Caricamento a ruota singola (kg) | Tipo di frame |
| W-36cs | 36x9x8.2x28 | M8X40L | 42.3x60x32.6x45x2.3 | 47.3 | 1000 · 2000 · 3000 | 50 · 75 · 100 · 150 | 40 | J |

Tipo D*w*d*b Lancia Dimensione del telaio ...
| Tipo | D*w*d*b | Lancia | Dimensione del telaio H*W1*W2*W3*T. | Altezza H | Lunghezza L | Pitch ruota P | Caricamento a ruota singola (kg) | Tipo di frame |
| W-36BW | 36x9x8.2x14 | M8X55L | 46,3 × 60 × 33 × 71 × 2: 3 | 52.3 | 1000 · 2000 · 3000 | 50 · 75 · 100 · 150 | 40 | K |

Tipo D*w*d*b Lancia Dimensione del telaio ...
| Tipo | D*w*d*b | Lancia | Dimensione del telaio H*W1*W2*W3*T. | Altezza H | Lunghezza L | Pitch ruota P | Caricamento a ruota singola (kg) | Tipo di frame |
| W-36WW | 36x9x8.2x14 | M8X45L | 40x108x40x50.5x3 | 45 | 1000 · 2000 · 3000 | 30 · 40 · 50 · 75 | 40 | M |

Tipo D*w*d*b Lancia Dimensione del telaio ...
| Tipo | D*w*d*b | Lancia | Dimensione del telaio H*W1*W2*W3*T. | Altezza H | Lunghezza L | Pitch ruota P | Caricamento a ruota singola (kg) | Tipo di frame |
| W-50WW | 50x14.5x12.2x20 | M12X65L | 50x140x50x73x6 | 60 | 1000 · 2000 · 3000 | 40 · 50 · 75 | 100 | M |

Tipo D*w*d*b Lancia Dimensione del telaio ...
| Tipo | D*w*d*b | Lancia | Dimensione del telaio H*W1*W2*W3*T. | Altezza H | Lunghezza L | Pitch ruota P | Caricamento a ruota singola (kg) | Tipo di frame |
| HG-W50DS | 50x14.5x12.2x20 | M12X40L | 60x70x25x48x3.2 | 65 | 1000 · 2000 · 3000 | 75 · 100 · 150 · 200 | 100 | D |
Perché la manutenzione del trasportatore a rulli influisce direttamente sulla durata del sistema Trasp...
PER SAPERNE DI PIÙCosa rende un trasportatore a rulli veramente resistente? Un trasportatore a rulli per carichi pesanti non...
PER SAPERNE DI PIÙCosa sono i trasportatori a rulli e perché il tipo è importante? Trasportatori a rulli sono siste...
PER SAPERNE DI PIÙPerché i trasportatori a rulli rimangono la spina dorsale della movimentazione dei materiali Trasporta...
PER SAPERNE DI PIÙSistemi di trasporto spostano milioni di tonnellate di materiale ogni giorno attraverso fabbriche, maga...
PER SAPERNE DI PIÙI principali tipi di sistemi di trasporto a nastro in breve Trasportatore a nastro i sistemi rien...
PER SAPERNE DI PIÙFa Wuxi Huiqian Logistics Machinery Manufacturing Co., Ltd. trasportatore di pallet Supportare più canali per gestire contemporaneamente diversi tipi di pallet?
Nel frenetico mondo della logistica e della movimentazione dei materiali, l'efficienza e l'adattabilità sono fondamentali. Le aziende richiedono sistemi che non solo soddisfano le loro esigenze immediate, ma offrano anche scalabilità, affidabilità e flessibilità di gestire i diversi tipi di merci e richieste operative. Una di queste soluzione è Wuxi Huiqian Logistics Machinery Manufacturing Co., Innovative Pallet Conveyor Systems di Ltd., progettati per semplificare i movimenti dei materiali in diversi settori. Ma la domanda rimane: i loro trasportatori di pallet possono supportare più canali per gestire contemporaneamente diversi tipi di pallet?
Versatilità nella progettazione: il nucleo della logistica efficiente
Al centro della gamma di prodotti di Wuxi Huiqian è il loro avanzato trasportatore di pallet Sistema, una soluzione meticolosamente ingegnerizzata che è una testimonianza dell'impegno dell'azienda a fondere la tecnologia giapponese con tecniche di produzione all'avanguardia. Questi sistemi sono costruiti per offrire adattabilità senza pari in ambienti ad alta richiesta. Che si tratti di un'applicazione pesante o di una configurazione più delicata e leggera, il sistema può essere personalizzato per gestire pallet di varie dimensioni, pesi e tipi.
La vera forza di Wuxi Huiqian Truffa di assemblaggio del trasportatore I sistemi risiedono nella loro capacità di operare con più canali, garantendo che diversi tipi di pallet possano essere gestiti contemporaneamente. Questa funzionalità multicanale è essenziale per i magazzini, gli impianti di produzione e i centri di distribuzione in cui le operazioni richiedono spesso il trasporto simultaneo di diversi tipi di pallet. Che si tratti di gestire articoli grandi e voluminosi o beni più fragili, più fragili, i sistemi di trasporto possono essere adattati per soddisfare questi requisiti unici con eccezionale efficienza.
La personalizzazione soddisfa la precisione
Wuxi Huiqian è molto orgoglioso di offrire soluzioni di trasporto altamente personalizzabili. La loro attenzione sul design modulare garantisce che i loro sistemi possano essere configurati per soddisfare le esigenze operative specifiche, inclusa la gestione simultanea di diversi tipi di pallet in diverse corsie. Ciò è particolarmente vantaggioso in settori come la produzione automobilistica, l'elettronica e la distribuzione degli alimenti, in cui le variazioni delle dimensioni dei pallet e dei tipi di prodotto possono creare sfide logistiche complesse.
Inoltre, l'impegno di Wuxi Huiqian per la qualità è sottolineato dall'uso di apparecchiature di elaborazione all'avanguardia e rigorosi sistemi di gestione della qualità. Ogni componente, dai rulli alle cornici, è realizzato secondo i più alti standard, garantendo non solo funzionalità ma durata a lungo termine. Se integrati nelle operazioni, i sistemi di trasporto forniscono un flusso di materiali senza soluzione di continuità, eliminando i colli di bottiglia e migliorando l'efficienza della produttività.
Tecnologia avanzata per soluzioni pronte per il futuro
Come leader nel settore manifatturiero dei macchinari logistici, Wuxi Huiqian innova continuamente, garantendo che i loro sistemi di trasporto non siano solo affidabili oggi, ma sono pronti ad adattarsi alle esigenze delle catene di approvvigionamento di domani. L'uso di tecnologie avanzate come l'automazione e il monitoraggio in tempo reale migliora ulteriormente le prestazioni dei loro trasportatori di pallet, consentendo alle aziende di monitorare e controllare il loro flusso di materiale con precisione di punta.
Per le aziende che desiderano a prova di futuro le loro operazioni, le soluzioni di Wuxi Huiqian offrono un vantaggio inestimabile. I loro sistemi possono essere facilmente integrati con altre tecnologie di automazione, offrendo scalabilità e adattabilità che garantiscono un'efficienza continua anche se le esigenze logistiche si evolvono.
Supporto post-vendita e approccio incentrato sul cliente
Un differenziatore chiave per Wuxi Huiqian è la loro dedizione alla soddisfazione del cliente. Oltre alla consegna di prodotti di alta qualità, pongono un'enfasi significativa sul servizio post-vendita, fornendo supporto tecnico e guida professionale durante il ciclo di vita dei loro sistemi. Questo impegno garantisce che ogni cliente riceva l'intero valore dal proprio investimento, con soluzioni su misura e supporto continuo per gestire anche i requisiti logistici più complessi.
Una soluzione olistica per la logistica moderna
In conclusione, Wuxi Huiqian Logistics Machinery Manufacturing Co., Ltd. si distingue come partner di fiducia nel regno della gestione dei materiali, in particolare per le industrie che richiedono sistemi avanzati, personalizzabili ed efficienti di trasporto pallet. I loro sistemi di trasporto multicanale, progettati per gestire contemporaneamente una gamma di tipi di pallet, rappresentano una soluzione sofisticata che soddisfa le esigenze delle moderne operazioni logistiche.
Se cerchi un partner in grado di elevare la tua efficienza logistica e fornire soluzioni su misura e scalabili, i sistemi di trasporto pallet di Wuxi Huiqian sono più di un semplice prodotto: sono un investimento nel successo operativo a lungo termine della tua azienda.
Portare l'artigianato al futuro.
No.60, Zhenhu North Road, città di Hudai, distretto di Binhu , Wuxi 214100, Cina
+86 139-2153-1116
+86-510-8558 1519/8558 1530
+86-510-8558 1520