W-36pw
Cat:Trasportatore di ruote in resina
Tipo Dimensione del rullo D*w*d*b Lancia ...
Struttura avanzata, prestazioni di alta qualità, facile da usare, alta affidabilità e durata.

Tipo Dimensione del rullo D*w*d*b Lancia ...
| Tipo | Dimensione del rullo D*w*d*b | Lancia | Dimensione del telaio H × W1 × W2 × W3 × T. | Altezza H | Lengeh L | Pitch ruota P | Caricamento a ruota singola (kg) | Materiale a rulli |
| W-36pw | 36 × 9 × 8 × 14 | M8 × 55L | 46,3 × 60 × 33 × 71 × 1.6 2.3 | 52.3 | 1800 · 2400 · 3000 | 50 · 75 · 100 · 150 | 10 | Pom |
| W-45uw | 45 × 16 × 8 × 22 | M8 × 65L | 46,3 × 60 × 33 × 87 × 1.6 2.3 | 56.8 | 1800 · 2400 · 3000 | 50 · 75 · 100 · 150 | 25 | ABS |

Tipo Dimensione del rullo D*w*d*b Lancia ...
| Tipo | Dimensione del rullo D*w*d*b | Lancia | Dimensione del telaio H × W1 × W2 × W3 × T. | Altezza H | Lengeh L | Pitch ruota P | Caricamento a ruota singola (kg) | Materiale a rulli |
| W-45uw | 45 × 16 × 8 × 22 | M8 × 65L | 46,3 × 60 × 33 × 87 × 1.6 2.3 | 56.8 | 1800 · 2400 · 3000 | 50 · 75 · 100 · 150 | 25 | ABS |

Il rack a medio caso è adatto per conservare molte varietà e poche quantità di merci. Il rack ...
Il rack a medio caso è adatto per conservare molte varietà e poche quantità di merci.
Il rack a medio caso è adatto per la conservazione di merci a dimensioni di una pinta, merci o merci speciali che sono inferiori a 500 kg.
| Tipo | Dimensione della capriata | Caricamento massimo | H | W | Larghezza efficace | Larghezza del nucleo | Profondità | |
| Caricamento di 1 strato (kg) | Caricamento massimo (kg) | |||||||
| L | | 150 | 1000 | 1200 | 900 | 850 | 955 | 300 450 600 |
| 1200 | 1150 | 1255 | ||||||
| 1500 | 1450 | 1555 | ||||||
| 1800 | 1750 | 1855 | ||||||
| M | 300 | 1500 | 1500 | 900 | 850 | 955 | 450 600 750 900 | |
| 1200 | 1150 | 1255 | ||||||
| 1800 | 1500 | 1450 | 1555 | |||||
| 1800 | 1750 | 1855 | ||||||
| H | 500 | 2500 | 2100 | 900 | 850 | 955 | ||
| 2400 | 1200 | 1150 | 1255 | |||||
| 1500 | 1450 | 1555 | ||||||
| 1800 | 1750 | 1855 | ||||||
Foglio di capacità di caricamento
Caricamento massimo (kg)
| Tipo | Capriata L1*l2*t | Caricamento massimo (kg) | ||||
| 4 strati | 5.6 strati | |||||
| UN | 25*25*1.5 | 300 | 400 | |||
| B | 32*32*1.5 | 450 | 600 | |||
| C | 38*38*1.8 | 600 | 800 | |||
Caricamento massimo (kg)
| Profondità/lunghezza | 900 (mm) | 1200 (mm) | 1500 (mm) | 1800 (mm) | |||
| 300 (mm) | 100 | - | - | - | |||
| 450 (mm) | 150 | 150 | 100 | 60 | |||
| 600 (mm) | 200 | 200 | 150 | 100 | |||

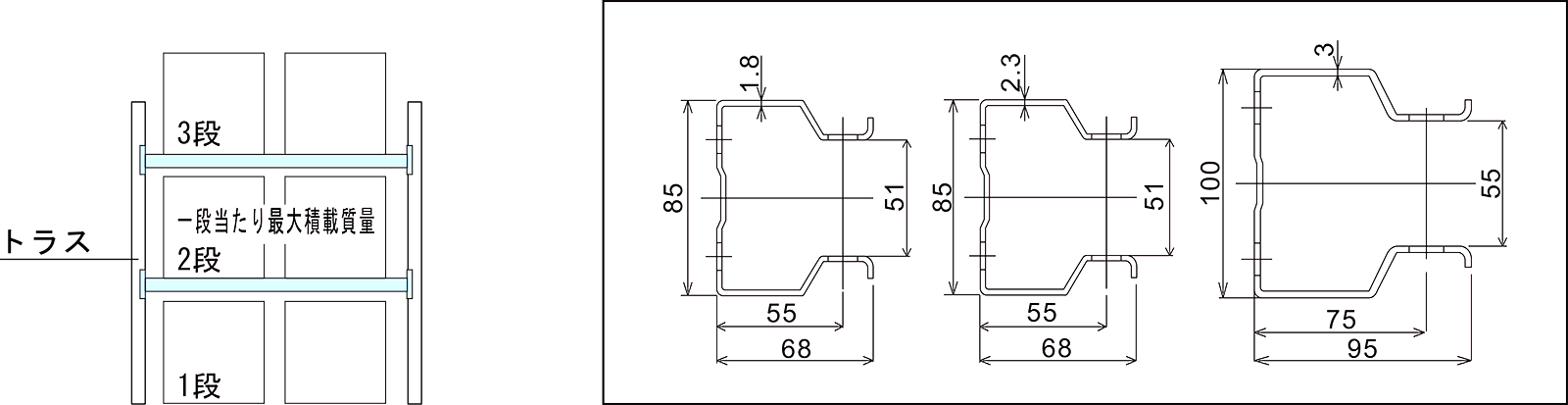
Opzione · Esistono tre tipi di questo rack pesante: L, M, H ...
Opzione
| · Esistono tre tipi di questo rack pesante: L, M, H
· La capacità di caricamento massima dipende dall'altezza e dai livelli, consultare il foglio di caricamento.
· La condizione di abbassare la capacità di carico è una terra in cemento e il rack deve essere fissato da un bullone espandibile. | |
| Tipo | Altezza (mm) | Larghezza (mm) | Profondità (mm) |
| Tipo l (peso leggero) | 2000 2500 3000 3500 4000 4500 5000 5500 6000 7000 8000 | 2000 2300 2500 2700 3000 3200 | 600 800 900 1000 1100 1200 |
| Tipo m (peso mediocre) | |||
| Tipo H (peso pesante) |
Caricamento massimo di capriata
| Caricamento massimo di ogni strato (kg) | |||||||||||
| Strati/capriati/altezza (mm) | 2 strati | 3 strati | 4 strati | 5 strati | |||||||
| L | M | L | M | H | L | M | H | L | M | H | |
| 2000 | 4440 | 5470 | 3140 | 3870 | 5190 | 2360 | 2900 | 3890 | 1880 | 2320 | 3110 |
| 2500 | 4020 | 4960 | 3130 | 3860 | 5190 | 2360 | 2900 | 3890 | 1880 | 2320 | 3110 |
| 3000 | 3670 | 4540 | 2920 | 3600 | 5120 | 2360 | 2900 | 3890 | 1880 | 2320 | 3110 |
| 3500 | 3380 | 4180 | 2730 | 3370 | 4830 | 2290 | 2820 | 3890 | 1880 | 2320 | 3110 |
| 4000 | 3130 | 3870 | 2560 | 3170 | 4560 | 2170 | 2680 | 3820 | 1880 | 2320 | 3110 |
| 4500 | 2920 | 3610 | 2420 | 2990 | 4330 | 2070 | 2550 | 3650 | 1800 | 2220 | 3110 |
| 5000 | 2730 | 3380 | 2290 | 2830 | 4120 | 1970 | 2430 | 3500 | 1730 | 2130 | 3040 |
| 5500 | 2570 | 3180 | 2170 | 2690 | 3920 | 1880 | 2330 | 3360 | 1660 | 2050 | 2940 |
| 6000 | 2420 | 3000 | 2070 | 2560 | 3750 | 1800 | 2230 | 3230 | 1600 | 1970 | 2840 |
| 7000 | 2180 | 2690 | 1880 | 2330 | 3440 | 1660 | 2060 | 3000 | 1490 | 1840 | 2660 |
| 8000 | 1960 | 2440 | 1730 | 2140 | 3180 | 1540 | 1910 | 2800 | 1390 | 1720 | 2500 |
Standard di nessuna nazione del terremoto: k = 0,03 (coefficiente di agitazione del livello)
Caricamento massimo di trave
| Caricamento massimo di ogni strato (kg) | |||||||
| Larghezza/altezza del raggio | 2000 | 2300 | 2500 | 2700 | 3000 | 3200 | |
| 80 | 1777 | 1344 | 1137 | - | - | - | |
| 100 | 2560 | 2226 | 1917 | 1644 | 1331 | 1170 | |
| 110 | 2918 | 2538 | 2335 | 2055 | 1665 | 1463 | |
| 120 | 3277 | 2849 | 2621 | 2427 | 2042 | 1794 | |
| 140 | 4045 | 3517 | 3236 | 2996 | 2697 | 2528 | |
| 160 | - | 4998 | 4598 | 4257 | 3831 | 3592 | |
La guida diversa può essere installata in base ai carrelli elevatori corrispondenti, che possono ridurre la larghezza del corridoio di passaggio e utilizzare lo spazio.

[Tipo ferroviario] La rotaia può essere decisa da terreni ...
| [Tipo ferroviario] La rotaia può essere decisa da terreni Condizioni di impostazione diverse possono causare diverse condizioni di lavoro | Due tipi di binario FORDAZIONE FISSATA utilizzata FPR SIGLE-Side Funzionamento |
| MANGET BAR senza binario | |
Struttura
Specifiche di base
| Pannello laterale | Velocità | Motore | Energia | Controllo | Attrezzatura sicura | |
| Sbarra | 12T (tipo a 2 ruote) 24T (tipo a 4 ruote) | Max 10m/min | Max 1,5kw | Monofase Fase trinale | Controllato dalla rete | Corridoio di bloccaggio automatico Inserisci il controllo Lampada indicatore di luce Protezione da caricamento eccessivo |
| 16T (tipo a 2 ruote) 32t (tipo a 4 ruote) | ||||||
| Non-rail | 8T (tipo a 2 ruote) 16T (tipo a 4 ruote) |

Adottare una cornice media e pesante di alta frequenza. Adatto...
| Adottare una cornice media e pesante di alta frequenza. Adatto per rack mobile inclinabile sequente con alta frequenza.
| Il rack può essere selezionato per dimensione della scatola e quantità di merci. |
| Ampiamente utilizzato nel magazzino logistico o nella linea di produzione. | |
| Le ruote del monte sono convenienti per fissare o scaricare il rack. |
Capacità
|
Struttura facile Facile installazione, telaio e concetto di ruote possono essere regolati nel luogo adatto. Per lo stoccaggio di grandi o piccole quantità di merci.
| |
|
Convenuto delle ruote standard Roller of Iron Core: ф28 | |
|
LMPROVEment dell'efficienza di lavoro Easy stoccaggio di merci, comodo per funzionamento
|

Funzioni Il rack di gr...
|
Funzioni Il rack di gravità FLFO si basa sull'inclinazione (4%) della pista delle diapositive e sul peso morto delle merci. I rulli dritti a gravità vengono utilizzati come supporto per scivolare verso il basso. La throughput LTS è elevata. La conservazione e il recupero può essere eseguita contemporaneamente, quindi la velocità di flusso delle merci è aumentata. Scopi È adatto per la conservazione e il recupero di pallet o di grande volume, con meno tipi di merci. Ogni binario scorrevole viene utilizzata per conservare e recuperare il più possibile un tipo di merce. Lt ha ampia applicazione in settori come meccanici, chimici, elettronici, bevande e alimenti ecc.
| Rullo freno |
Caratteristiche
| PALLET Sicurezza Separatore |

Adatto per lo stoccaggio di stampi delle dimensioni di una pinta. Specifiche 1. Cari...
Adatto per lo stoccaggio di stampi delle dimensioni di una pinta.
Specifiche
1. Caricamento di ogni livello: massimo 1000 kg
2. Maxlayers: 4lager
3. Dimensione: 1300WX800L
4. HeightOfeachLayer: 500mm
5. Framework Skid-Holddouble-Lock
6. FIZIONE BOLT
7. Opzioni: ①lron Assicch
Caratteristica
Adatto per lo stoccaggio di merci pesanti, la matrice di resina, la stampante in metallo e così via.
Lo strato di pallet a diapositiva può essere aumentato e tirato.
Facile per il lavoro mobile.

Dimensionei e dimensioni Modello n. Dimension (Lxwxh) (mm) ...
Dimensionei e dimensioni
| Modello n. | Dimension (Lxwxh) (mm) | |
| WM-600EFS | 630x680x800 | |
| WM-800EFS | 830x880x800 | |
| WM-1000EFS | 1030x1080x800 | |
| Osservazioni: personalizzabile secondo | Clienti | |
Specifiche
| Capacità: | Dipende dalle dimensioni dei pacchi | |
| Velocità di trasporto: | 0 ~ 120m/min (regolabile) | |
| Angolo di deviazione: | 30 ~ 90 gradi | |
| Direzione di scarico: | A destra, a sinistra e in avanti | |
| Temperatura operativa: | -10 ~ 40 gradi | |
| Energia: | Servo Motor 1.5KW | |
| Opzioni di interfaccia: | Rs485/232, Ethernet, IO | |
| Peso di caricamento massimo: | 70 kg/m2 | |
| Rumore: | Meno di 75db | |

Il sollevatore alternativo è un dispositivo di elevazione che sposta gli articoli su e giù per il...
Il sollevatore alternativo è un dispositivo di elevazione che sposta gli articoli su e giù per il trasferimento verticale tra diverse altezze del trasportatore. Le caratteristiche chiave includono la trasmissione della cinghia a catena o sincrona, alimentata da un motore o un cilindro ingranati, che guida il carrello di sollevamento con un movimento su e giù. I trasportatori sul carrello di sollevamento trasferiscono automaticamente gli articoli dentro e fuori dal sollevatore.
| Tipo | TSJ-C-200 TSJ-Z-200 | TSJ-C-500 TSJ-Z-500 | TSJ-C-1200 TSJ-Z-1200 | TSJ-C-2000 TSJ-Z-2000 |
| Catena | 12a (4 bastoncini) | 16A (4 bastoncini) | 20A (4 bastoncini) | 24A (4 bastoncini) |
| Carico (kg) | Max200kg | Max500kg | Max1200kg | Max2000kg |
| sollevare H2 (mm) | 3000 ~ 9000 | 3000 ~ 15000 | 3000 ~ 15000 | 3000 ~ 15000 |
| Altezza di fine alimentazione H1 (mm) | Min500mm | Min500mm | Min600mm | Min600mm |
| Colonna principale | 80*tubo quadrato 4t | Tubo quadrato da 100*4t | 120*6t quadrati tubo | 140*6t quadrati tubo |
| Peso di bilanciamento | Nessun contrappeso disponibile | contrappeso | contrappeso | contrappeso |
| velocità verticale (m/min) | Max50 | Max50 | Max50 | Max50 |
| Configurazione di sicurezza (opzionale) | Rilevamento della catena rotta, morsetto del freno | |||
| Motor Energia_ (KW) | 2,2 ~ 15KW | |||
| Power | AC380V (tre fasi) | |||

Tipo D*w*d*b Caricamento (kg) W-38ts ...
| Tipo | D*w*d*b | Caricamento (kg) |
| W-38ts | 38x12x6.5x25 | 20 |
| W-40SL | 40x20x6.5x26 | 20 |
| W-50ts | 49.2x15.5x8x25 | 40 |
| W-3850D | 38.1x50x12.2x63 | 130 |
| W-4850D | 48.6x50x12.2x63 | 200 |
| W-5750p | 57x50x12.2x55 | 60 |
| W-5750D | 57.2x50x12.2x63 | 200 |
| W-6050D | 60.5x50x12.2x6 | 200 |

Tipo D*w*d*b Caricamento (kg) W-1225bs ...
| Tipo | D*w*d*b | Caricamento (kg) |
| W-1225bs | 12x25x4.1x27 | 35 |
| W-2015BS | 20x15x6.1x17 | 30 |
| W-2025BS | 20x25x6.2x27 | 40 |
| W-2050BS | 20x50x6.2x52 | 50 |
| W-20100bs | 20x100x6.2x102 | 50 |
| W-25bs-13 | 25x9x6.2x13 | 30 |
| W-25BS | 25x9x6.2x16 | 30 |
| W-2523BS | 25x23x8.2x25 | 50 |
| W-30BS | 30x50x10.5x55 | 160 |
| W-32BS | 32x25x8.2x28 | 90 |
| W-36BW-6 | 36x9x6.2x14 | 40 |
| W-36BS | 36x9x6.2x25 | 40 |
| W-36BW | 36x9x8.2x14 | 40 |
| W-36cs | 36x9x8.2x28 | 40 |
| W-50BS | 50x14.5x8.2x20 | 80 |
| W-50DS-8 | 50x14.5x8.2x32 | 100 |
| W-50DS-10 | 50x14.5x10.2x20 | 100 |
| W-50DS-12 | 50x14.5x12.2x20 | 100 |
| HW-76DS | 76.3x30x30x44 | 1000 |
Perché la manutenzione del trasportatore a rulli influisce direttamente sulla durata del sistema Trasp...
PER SAPERNE DI PIÙCosa rende un trasportatore a rulli veramente resistente? Un trasportatore a rulli per carichi pesanti non...
PER SAPERNE DI PIÙCosa sono i trasportatori a rulli e perché il tipo è importante? Trasportatori a rulli sono siste...
PER SAPERNE DI PIÙPerché i trasportatori a rulli rimangono la spina dorsale della movimentazione dei materiali Trasporta...
PER SAPERNE DI PIÙSistemi di trasporto spostano milioni di tonnellate di materiale ogni giorno attraverso fabbriche, maga...
PER SAPERNE DI PIÙI principali tipi di sistemi di trasporto a nastro in breve Trasportatore a nastro i sistemi rien...
PER SAPERNE DI PIÙFa Wuxi Huiqian Logistics Machinery Manufacturing Co., Ltd. trasportatore di pallet Supportare più canali per gestire contemporaneamente diversi tipi di pallet?
Nel frenetico mondo della logistica e della movimentazione dei materiali, l'efficienza e l'adattabilità sono fondamentali. Le aziende richiedono sistemi che non solo soddisfano le loro esigenze immediate, ma offrano anche scalabilità, affidabilità e flessibilità di gestire i diversi tipi di merci e richieste operative. Una di queste soluzione è Wuxi Huiqian Logistics Machinery Manufacturing Co., Innovative Pallet Conveyor Systems di Ltd., progettati per semplificare i movimenti dei materiali in diversi settori. Ma la domanda rimane: i loro trasportatori di pallet possono supportare più canali per gestire contemporaneamente diversi tipi di pallet?
Versatilità nella progettazione: il nucleo della logistica efficiente
Al centro della gamma di prodotti di Wuxi Huiqian è il loro avanzato trasportatore di pallet Sistema, una soluzione meticolosamente ingegnerizzata che è una testimonianza dell'impegno dell'azienda a fondere la tecnologia giapponese con tecniche di produzione all'avanguardia. Questi sistemi sono costruiti per offrire adattabilità senza pari in ambienti ad alta richiesta. Che si tratti di un'applicazione pesante o di una configurazione più delicata e leggera, il sistema può essere personalizzato per gestire pallet di varie dimensioni, pesi e tipi.
La vera forza di Wuxi Huiqian Truffa di assemblaggio del trasportatore I sistemi risiedono nella loro capacità di operare con più canali, garantendo che diversi tipi di pallet possano essere gestiti contemporaneamente. Questa funzionalità multicanale è essenziale per i magazzini, gli impianti di produzione e i centri di distribuzione in cui le operazioni richiedono spesso il trasporto simultaneo di diversi tipi di pallet. Che si tratti di gestire articoli grandi e voluminosi o beni più fragili, più fragili, i sistemi di trasporto possono essere adattati per soddisfare questi requisiti unici con eccezionale efficienza.
La personalizzazione soddisfa la precisione
Wuxi Huiqian è molto orgoglioso di offrire soluzioni di trasporto altamente personalizzabili. La loro attenzione sul design modulare garantisce che i loro sistemi possano essere configurati per soddisfare le esigenze operative specifiche, inclusa la gestione simultanea di diversi tipi di pallet in diverse corsie. Ciò è particolarmente vantaggioso in settori come la produzione automobilistica, l'elettronica e la distribuzione degli alimenti, in cui le variazioni delle dimensioni dei pallet e dei tipi di prodotto possono creare sfide logistiche complesse.
Inoltre, l'impegno di Wuxi Huiqian per la qualità è sottolineato dall'uso di apparecchiature di elaborazione all'avanguardia e rigorosi sistemi di gestione della qualità. Ogni componente, dai rulli alle cornici, è realizzato secondo i più alti standard, garantendo non solo funzionalità ma durata a lungo termine. Se integrati nelle operazioni, i sistemi di trasporto forniscono un flusso di materiali senza soluzione di continuità, eliminando i colli di bottiglia e migliorando l'efficienza della produttività.
Tecnologia avanzata per soluzioni pronte per il futuro
Come leader nel settore manifatturiero dei macchinari logistici, Wuxi Huiqian innova continuamente, garantendo che i loro sistemi di trasporto non siano solo affidabili oggi, ma sono pronti ad adattarsi alle esigenze delle catene di approvvigionamento di domani. L'uso di tecnologie avanzate come l'automazione e il monitoraggio in tempo reale migliora ulteriormente le prestazioni dei loro trasportatori di pallet, consentendo alle aziende di monitorare e controllare il loro flusso di materiale con precisione di punta.
Per le aziende che desiderano a prova di futuro le loro operazioni, le soluzioni di Wuxi Huiqian offrono un vantaggio inestimabile. I loro sistemi possono essere facilmente integrati con altre tecnologie di automazione, offrendo scalabilità e adattabilità che garantiscono un'efficienza continua anche se le esigenze logistiche si evolvono.
Supporto post-vendita e approccio incentrato sul cliente
Un differenziatore chiave per Wuxi Huiqian è la loro dedizione alla soddisfazione del cliente. Oltre alla consegna di prodotti di alta qualità, pongono un'enfasi significativa sul servizio post-vendita, fornendo supporto tecnico e guida professionale durante il ciclo di vita dei loro sistemi. Questo impegno garantisce che ogni cliente riceva l'intero valore dal proprio investimento, con soluzioni su misura e supporto continuo per gestire anche i requisiti logistici più complessi.
Una soluzione olistica per la logistica moderna
In conclusione, Wuxi Huiqian Logistics Machinery Manufacturing Co., Ltd. si distingue come partner di fiducia nel regno della gestione dei materiali, in particolare per le industrie che richiedono sistemi avanzati, personalizzabili ed efficienti di trasporto pallet. I loro sistemi di trasporto multicanale, progettati per gestire contemporaneamente una gamma di tipi di pallet, rappresentano una soluzione sofisticata che soddisfa le esigenze delle moderne operazioni logistiche.
Se cerchi un partner in grado di elevare la tua efficienza logistica e fornire soluzioni su misura e scalabili, i sistemi di trasporto pallet di Wuxi Huiqian sono più di un semplice prodotto: sono un investimento nel successo operativo a lungo termine della tua azienda.
Portare l'artigianato al futuro.
No.60, Zhenhu North Road, città di Hudai, distretto di Binhu , Wuxi 214100, Cina
+86 139-2153-1116
+86-510-8558 1519/8558 1530
+86-510-8558 1520