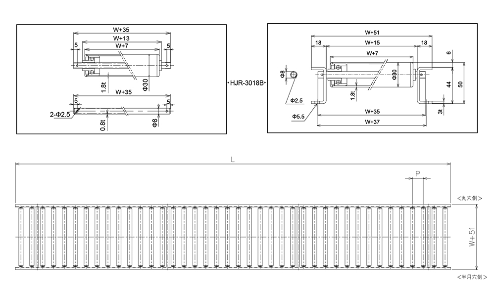
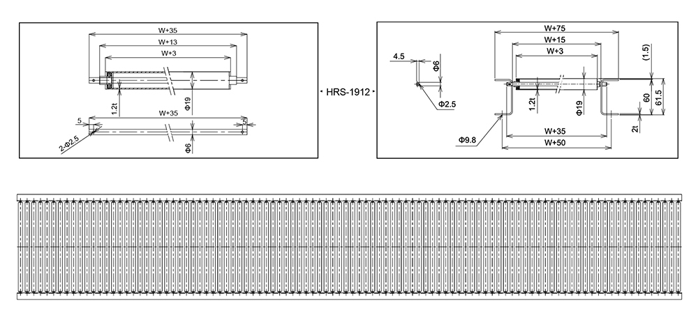
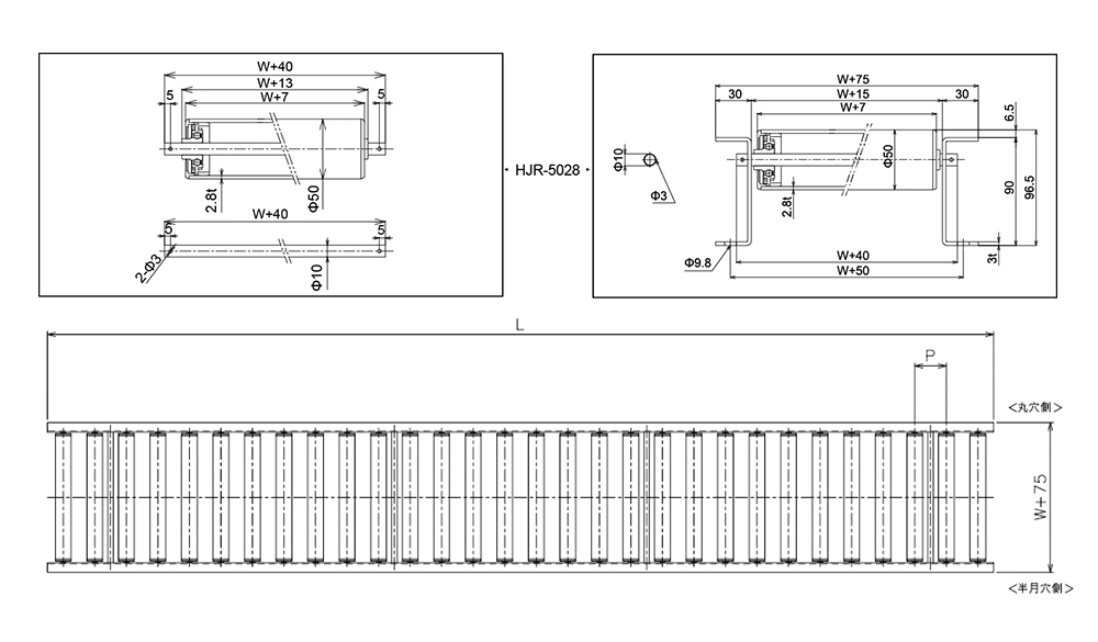
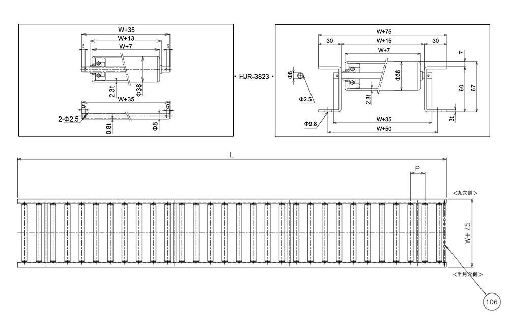
HRS-1912
Cat:Trasportatore a rulli in acciaio inossidabile
Larghezza del rullo W (mm) 100 200 300 ...
Il trasportatore a rulli gratuito è un'attrezzatura di trasporto comunemente usata, in genere per il trasporto di articoli a fondo piatto. Un trasportatore a rulli standard è costituito da staffe laterali, rulli, connettori laterali e gambe di supporto. I trasportatori a rulli di Wuxi Huiqian sono realizzati con lamiera di alta qualità e rulli ad alto standard, offrendo qualità, aspetto e durata complessive rispetto agli standard del settore.

Larghezza del rullo W (mm) 100 200 300 ...
| Larghezza del rullo W (mm) | 100 | 200 | 300 | 400 | 500 | |
| Larghezza del trasportatore W 75 (mm) | 175 | 275 | 375 | 475 | 575 | |
| Caricamento del rullo (kg) | 30 | 21 | 14 | 10 | 7 | |
| 3000L di peso del trasportatore (kg) | 22p | 21.3 | 28.9 | 36.5 | 44.1 | 51.7 |
| 44p | 16.1 | 20.1 | 24.0 | 27.9 | 31.9 | |
| Peso del rullo (G) | 85 | 130 | 183 | 237 | 290 | |

Larghezza del rullo W (mm) 100 200 300 ...
| Larghezza del rullo W (mm) | 100 | 200 | 300 | 400 | 500 | 600 | |
| Larghezza del trasportatore W 45 (mm) | 175 | 275 | 375 | 475 | 575 | 675 | |
| Caricamento del rullo (kg) | 35 | 35 | 35 | 27 | 22 | 18 | |
| 2000 L Peso del trasportatore (kg) | 30p | 15 | 21 | 27 | 32 | 39 | 45 |
| 50p | 12 | 15 | 19 | 23 | 27 | 30 | |
| Peso del rullo (G) | 130 | 210 | 300 | 380 | 480 | 560 | |

Larghezza del rullo W (mm) 100 200 300 ...
| Larghezza del rullo W (mm) | 100 | 200 | 300 | 400 | 500 | 600 | |
| Larghezza del trasportatore W 75 (mm) | 175 | 275 | 375 | 475 | 575 | 675 | |
| Caricamento del rullo (kg) | 75 | 70 | 46 | 35 | 28 | 23 | |
| 3000L di peso del trasportatore (kg) | 50p | 24.3 | 32.4 | 40.5 | 48.6 | 56.7 | 64.2 |
| 75p | 20 | 25.5 | 31.1 | 36.6 | 42.2 | 47.1 | |
| Peso del rullo (G) | 217 | 345 | 473 | 601 | 729 | 857 | |

Larghezza del rullo W (mm) 100 200 300 ...
| Larghezza del rullo W (mm) | 100 | 200 | 300 | 400 | 500 | 600 | 700 | 800 | |
| Larghezza del trasportatore W 75 (mm) | 175 | 275 | 375 | 475 | 575 | 675 | 775 | 875 | |
| Caricamento del rullo (kg) | 135 | 120 | 110 | 90 | 70 | 60 | 50 | 45 | |
| 3000L di peso del trasportatore (kg) | 75p | 29.8 | 38.2 | 42.7 | 51.2 | 59.7 | 67.5 | 75.9 | 80.4 |
| 100p | 25.9 | 32.3 | 35.8 | 42.3 | 48.7 | 54.6 | 61.0 | 64.4 | |
| Peso del rullo (G) | 380 | 561 | 742 | 923 | 1104 | 1285 | 1466 | 1647 | |

Larghezza del rullo W (mm) 100 200 300 ...
| Larghezza del rullo W (mm) | 100 | 200 | 300 | 400 | 500 | 600 | 700 | 800 | |
| Larghezza del trasportatore W 75 (mm) | 175 | 275 | 375 | 475 | 575 | 675 | 775 | 875 | |
| Caricamento del rullo (kg) | 128 | 112 | 96 | 80 | 63 | 52 | 47 | 43 | |
| 3000L di peso del trasportatore (kg) | 75p | 32.6 | 45.8 | 59 | 72.3 | 85.5 | 98.1 | 111.3 | 124.5 |
| 100p | 28 | 38 | 48 | 58.1 | 68.1 | 77.5 | 87.5 | 97.5 | |
| Peso del rullo (G) | 467 | 776 | 1084 | 1392 | 1700 | 2008 | 2316 | 2624 | |

Larghezza del rullo W (mm) 100 200 300 ...
| Larghezza del rullo W (mm) | 100 | 200 | 300 | 400 | 500 | 600 | 700 | 800 | |
| Larghezza del trasportatore W 75 (mm) | 175 | 275 | 375 | 475 | 575 | 675 | 675 | 675 | |
| Caricamento del rullo (kg) | 135 | 120 | 110 | 90 | 70 | 60 | 50 | 45 | |
| 3000L di peso del trasportatore (kg) | 75p | 37.4 | 53.5 | 69.5 | 85.7 | 101.7 | 117.1 | 133.2 | 149.2 |
| 100p | 31.6 | 43.8 | 55.9 | 68.1 | 80.3 | 91.8 | 103.9 | 116.0 | |
| Peso del rullo (G) | 544 | 923 | 1302 | 1681 | 2060 | 2439 | 2818 | 3197 | |

Larghezza del rullo W (mm) 100 200 300 ...
| Larghezza del rullo W (mm) | 100 | 200 | 300 | 400 | 500 | |
| Larghezza del trasportatore W 45 (mm) | 145 | 245 | 345 | 445 | 545 | |
| Caricamento del rullo (kg) | 11.5 | 10.7 | 10 | 9.2 | 7.0 | |
| 2000 L Peso del trasportatore (kg) | 25p | 4.3 | 6.4 | 8.5 | 10.7 | 12.8 |
| 30p | 3.8 | 5.7 | 7.5 | 9.4 | 11.3 | |
| Peso del rullo (G) | 33 | 55 | 78 | 100 | 12.2 | |

Larghezza del rullo W (mm) 100 200 300 ...
| Larghezza del rullo W (mm) | 100 | 200 | 300 | 400 | |
| Larghezza del trasportatore W 45 (mm) | 145 | 245 | 345 | 445 | |
| Caricamento del rullo (kg) | 13.5 | 12.6 | 12.5 | 11.8 | |
| 2000 L Peso del trasportatore (kg) | 30p | 6.5 | 8.5 | 11 | 19 |
| 40p | 5 | 7.5 | 10 | 12.3 | |
| Peso del rullo (G) | 50.5 | 75 | 115 | 145 | |

Larghezza del rullo W (mm) 100 200 300 ...
| Larghezza del rullo W (mm) | 100 | 200 | 300 | 400 | 500 | |
| Larghezza del trasportatore W 51 (mm) | 151 | 251 | 351 | 451 | 551 | |
| Caricamento del rullo (kg) | 16.5 | 15.7 | 15 | 14.2 | 13.5 | |
| Peso 1500L di trasportatore (kg) | 40p | 7.2 | 10.8 | 14.5 | 18 | 21.7 |
| 50p | 6.2 | 9.2 | 12.2 | 15.1 | 18.2 | |
| Peso del rullo (G) | 64 | 106 | 149 | 191 | 235 | |

Larghezza del rullo W (mm) 100 200 300 ...
| Larghezza del rullo W (mm) | 100 | 200 | 300 | 400 | 500 | |
| Larghezza del trasportatore W 75 (mm) | 175 | 275 | 375 | 475 | 575 | |
| Caricamento del rullo (kg) | 21.5 | 20.8 | 20.1 | 19.5 | 18.6 | |
| 3000L di peso del trasportatore (kg) | 50p | 11.5 | 15.2 | 18.8 | 22.5 | 26.2 |
| 75p | 9.7 | 12.3 | 14.8 | 17.5 | 20.0 | |
| Peso del rullo (G) | 91 | 145 | 199 | 253 | 307 | |

Larghezza del rullo W (mm) 100 200 300 ...
| Larghezza del rullo W (mm) | 100 | 200 | 300 | 400 | 500 | 600 | |
| Larghezza del trasportatore W 75 (mm) | 175 | 275 | 375 | 475 | 575 | 675 | |
| Caricamento del rullo (kg) | 32 | 31 | 30 | 29.5 | 28.5 | 27.7 | |
| 3000L di peso del trasportatore (kg) | 75p | 13.5 | 17.7 | 22.0 | 26.1 | 30.5 | 34.1 |
| 100p | 12.1 | 15.3 | 18.6 | 21.9 | 25.2 | 27.8 | |
| Peso del rullo (G) | 148 | 243 | 339 | 435 | 530 | 626 | |

Larghezza del rullo W (mm) 100 200 300 ...
| Larghezza del rullo W (mm) | 100 | 200 | 300 | 400 | 500 | 600 | |
| Larghezza del trasportatore W 75 (mm) | 175 | 275 | 375 | 475 | 575 | 675 | |
| Caricamento del rullo (kg) | 35 | 34 | 33 | 30 | 29 | 28.5 | |
| 3000L di peso del trasportatore (kg) | 75p | 14.4 | 19.3 | 24.2 | 29.0 | 34.0 | 38.2 |
| 100p | 12.7 | 16.5 | 20.3 | 23.9 | 27.8 | 30.9 | |
| Peso del rullo (G) | 172 | 283 | 395 | 506 | 617 | 728 | |
Perché la manutenzione del trasportatore a rulli influisce direttamente sulla durata del sistema Trasp...
PER SAPERNE DI PIÙCosa rende un trasportatore a rulli veramente resistente? Un trasportatore a rulli per carichi pesanti non...
PER SAPERNE DI PIÙCosa sono i trasportatori a rulli e perché il tipo è importante? Trasportatori a rulli sono siste...
PER SAPERNE DI PIÙPerché i trasportatori a rulli rimangono la spina dorsale della movimentazione dei materiali Trasporta...
PER SAPERNE DI PIÙSistemi di trasporto spostano milioni di tonnellate di materiale ogni giorno attraverso fabbriche, maga...
PER SAPERNE DI PIÙI principali tipi di sistemi di trasporto a nastro in breve Trasportatore a nastro i sistemi rien...
PER SAPERNE DI PIÙVantaggi delle prestazioni di Wuxi Huiqian Logistics Machinery Manufacturing Co., Ltd's Trasportatore a rulli Sistemi
Wuxi Huiqian Logistics Machinery Manufacturing Co., Ltd è un produttore di spicco specializzato nella produzione e nella vendita di una vasta gamma di attrezzature logistiche, compresi i trasportatori a rulli. Situato nel distretto di sviluppo della tecnologia Hi-Tech WUXI, la società sfrutta la tecnologia giapponese avanzata e le strutture di produzione all'avanguardia per creare macchinari logistici di alta qualità che soddisfino le diverse esigenze delle imprese moderne. Tra i loro numerosi prodotti, i trasportatori di rulli si distinguono per la loro efficienza, affidabilità e versatilità in vari settori.
Wuxi Huiqian trasportatore a rulli è progettato per sopportare carichi pesanti e ambienti operativi rigorosi. I trasportatori sono costruiti con materiali ad alta resistenza come acciaio o acciaio inossidabile, a seconda del modello specifico. I trasportatori a rulli senza acciaio, ad esempio, offrono un'eccellente durata, garantendo che i rulli possano resistere al movimento continuo di prodotti pesanti senza usura. I trasportatori a rulli in acciaio inossidabile, d'altra parte, offrono resistenza alla corrosione, rendendoli ideali per le industrie in cui l'igiene e la protezione della corrosione sono fondamentali, come la trasformazione degli alimenti e i prodotti farmaceutici.
La costruzione robusta consente ai trasportatori di trasportare carichi che vanno dai pacchetti leggeri a articoli industriali estremamente pesanti. La struttura rinforzata garantisce che i rulli rimangano in condizioni di lavoro ottimali anche in uso a lungo termine, offrendo un rendimento significativo sugli investimenti.
Una delle caratteristiche straordinarie di Wuxi Huiqian trasportatore a rulli è la loro capacità di essere personalizzata per soddisfare le esigenze specifiche dei clienti. La società ha un team di ricerca e sviluppo (R&S) dedicato che lavora a stretto contatto con i clienti per progettare sistemi su misura per le loro esigenze. Che si tratti di regolare le dimensioni del rullo, selezionare i materiali giusti o modificare le dimensioni del trasportatore, Wuxi Huiqian può sviluppare soluzioni che massimizzano l'efficienza e la flessibilità operativa.
Il team di ricerca e sviluppo dell'azienda utilizza software di progettazione all'avanguardia per simulare diversi scenari operativi, garantendo che il prodotto finale non solo soddisfi ma supera le aspettative dei clienti. Questo approccio personalizzato è particolarmente vantaggioso per le industrie con requisiti di gestione unici, come la produzione automobilistica, il commercio elettronico e la logistica.
Wuxi Huiqian impiega tecniche avanzate CNC (Computer Numerical Control) e tecniche di produzione di precisione per creare trasportatori a rulli con elevata precisione. Questa precisione garantisce che ogni rullo venga prodotto su specifiche esatte, riducendo al minimo le possibilità di fallimento meccanico e riducendo i tempi di inattività. I macchinari a CNC consentono una produzione ad alto volume senza sacrificare la qualità, che è essenziale per le aziende che richiedono operazioni di trasportatore affidabili e continue.
Inoltre, ogni prodotto subisce rigorosi test e procedure di controllo della qualità per garantire che soddisfi gli standard internazionali. L'impegno della società per la qualità ha guadagnato numerosi brevetti e certificazioni da agenzie credibili, attestando la sua abilità tecnologica e la leadership del settore.
Uno dei vantaggi chiave dei trasportatori di rulli Wuxi Huiqian è la loro capacità di operare per lunghi periodi con manutenzione minima. Ciò è dovuto all'uso di materiali di alta qualità, tecniche di produzione avanzate e un'attenta progettazione. I rulli sono progettati per ridurre l'attrito, il che riduce al minimo l'usura delle parti in movimento. Inoltre, l'uso di materiali resistenti alla corrosione, come l'acciaio inossidabile, garantisce che i trasportatori possano funzionare senza intoppi in una varietà di ambienti, compresi quelli con alta umidità o esposizione a sostanze chimiche.
Questa attenzione alla durata si traduce in minori costi di manutenzione e tempi di inattività ridotti, rendendo i trasportatori di rulli Wuxi Huiqian una soluzione altamente economica per le operazioni industriali a lungo termine. Inoltre, la società ha in atto un solido sistema di assistenza post-vendita, garantendo che i clienti ricevano supporto tempestivo e pezzi di ricambio quando necessario.
I trasportatori di rulli Wuxi Huiqian sono progettati pensando all'efficienza energetica. I rulli sono ottimizzati per ridurre il consumo di energia pur fornendo un throughput e prestazioni eccellenti. Questa funzione di risparmio energetico non solo riduce i costi operativi, ma contribuisce anche alla sostenibilità ambientale minimizzando l'impronta di carbonio delle operazioni logistiche.
I trasportatori di rulli Wuxi Huiqian sono adatti per una vasta gamma di settori, tra cui produzione, deposito, distribuzione, logistica, trasformazione alimentare e altro ancora. La loro flessibilità nella gestione di diversi tipi di materiali li rende indispensabili nelle moderne contesti industriali. Ad esempio, nel settore automobilistico, questi trasportatori vengono utilizzati per trasportare parti di auto, mentre nei magazzini di e-commerce, sono cruciali per l'ordinamento e lo spostamento dei pacchetti in modo efficiente.
I trasportatori a rulli sono altamente versatili in termini di tipi di materiali che possono trasportare. Dai componenti industriali per impieghi pesanti a prodotti al dettaglio più piccoli, questi trasportatori possono essere configurati per gestire una vasta gamma di dimensioni di articoli, pesi e tipi di imballaggio. Questo li rende una scelta preferita per le aziende che richiedono soluzioni logistiche flessibili.
Il design modulare dei trasportatori di rulli Wuxi Huiqian consente una facile scalabilità. Man mano che le esigenze aziendali crescono, le aziende possono espandere i loro sistemi di trasporto aggiungendo ulteriori moduli o personalizzando quelli esistenti. Questa scalabilità rende i trasportatori a rulli una scelta ideale per le aziende che anticipano la crescita futura o che devono adeguare i loro sistemi logistici in base al cambiamento delle esigenze operative.
I trasportatori a rulli di Wuxi Huiqian sono progettati per semplificare i processi di gestione dei materiali. Automatizzando il movimento delle merci, riducono la necessità di lavoro manuale, accelerando le operazioni e aumentando la produttività. Il movimento regolare e continuo di oggetti sul trasportatore riduce le possibilità di danni al prodotto, garantendo che le merci arrivino a destinazione in condizioni ottimali.
Inoltre, i trasportatori di rulli aiutano a ridurre i costi del lavoro riducendo al minimo la necessità per i lavoratori di spostare manualmente i prodotti. Aiutano anche a ottimizzare lo spazio del magazzino, poiché le merci possono essere impilate e spostate in modo più efficiente lungo il sistema di trasporto.
I trasportatori a rulli possono essere personalizzati per operare in diverse condizioni ambientali. L'uso di modelli in acciaio inossidabile garantisce che possano essere utilizzati in ambienti umidi, umidi o corrosivi, come piante di lavorazione degli alimenti o fabbriche chimiche. D'altra parte, i trasportatori a rulli senza acciaio sono ideali per ambienti asciutti in cui sono necessarie elevata durata e capacità di portamento del carico.
La versatilità di questi trasportatori consente loro di adattarsi a diversi ambienti, fornendo una soluzione affidabile per varie applicazioni industriali.
I trasportatori di rulli Wuxi Huiqian possono essere facilmente integrati con altre attrezzature per la movimentazione dei materiali come sistemi di smistamento automatizzati, linee di imballaggio e bracci robotici. Questa integrazione senza soluzione di continuità migliora l'efficienza complessiva del sistema e semplifica i flussi di lavoro, garantendo che le merci vengano spostate attraverso il processo di produzione o distribuzione con un ritardo minimo.
Wuxi Huiqian Logistics Machinery Manufacturing Co., i trasportatori a rulli di Ltd offrono prestazioni eccezionali, opzioni di personalizzazione e affidabilità in una varietà di settori. Con un design avanzato, la produzione di precisione e un focus sulla durata, i loro trasportatori a rulli offrono un valore superiore per le aziende che cercano di migliorare i loro sistemi di gestione dei materiali. Sia per un uso industriale forte o di delicate applicazioni, questi trasportatori forniscono la versatilità, l'efficienza e il rapporto costo-efficacia necessari per ottimizzare le operazioni e guidare il successo del business.
Portare l'artigianato al futuro.
No.60, Zhenhu North Road, città di Hudai, distretto di Binhu , Wuxi 214100, Cina
+86 139-2153-1116
+86-510-8558 1519/8558 1530
+86-510-8558 1520