W-25sus
Cat:Sus Wheel Conveyor
Tipo D*w*d*b Lancia Dimensione del telaio ...
Struttura avanzata, prestazioni di alta qualità, facile da usare, alta affidabilità e durata.
Il trasportatore a ruota fluente in metallo è un gruppo di ruote fluenti del materiale metallico della barra fluente, le ruote sono generalmente realizzate in timbrai e taglia due metodi di lavorazione, il materiale è zincato in acciaio, acciaio inossidabile, placcatura cromata e altre opzioni. Il materiale del telaio è generalmente diviso in: galvanizzato in acciaio, spray in acciaio, alluminio, acciaio inossidabile.

Tipo D*w*d*b Lancia Dimensione del telaio ...
| Tipo | D*w*d*b | Lancia | Dimensione del telaio H*W1*W2*W3*T. | Altezza H | Lunghezza L | Pitch ruota P | Caricamento a ruota singola (kg) | Tipo di frame |
| W-25sus | 25x9x6.2x16 | M6X25L | 25x19x9x29x1.5 | 29.5 | 1000 · 1500 · 2000 | 30 · 35 | 30 | A |

Tipo D*w*d*b Lancia Dimensione del telaio ...
| Tipo | D*w*d*b | Lancia | Dimensione del telaio H*W1*W2*W3*T. | Altezza H | Lunghezza L | Pitch ruota P | Caricamento a ruota singola (kg) | Tipo di frame |
| W-2523SUS | 25x23x8.2x25 | M8X35L | 25x28x9x40x1.5 | 29.5 | 1000 · 1500 · 2000 | 30 · 35 | 50 | A |

Tipo D*w*d*b Lancia Dimensione del telaio ...
| Tipo | D*w*d*b | Lancia | Dimensione del telaio H*W1*W2*W3*T. | Altezza H | Lunghezza L | Pitch ruota P | Caricamento a ruota singola (kg) | Tipo di frame |
| HG-W36SUS | 36x9x6.2x25 | M6X38L | 45x29x10x42x2.0 | 51 | 1800 · 2400 · 3000 | 50 · 75 · 100 · 150 | 40 | A |

Tipo D*w*d*b Lancia Dimensione del telaio ...
| Tipo | D*w*d*b | Lancia | Dimensione del telaio H*W1*W2*W3*T. | Altezza H | Lunghezza L | Pitch ruota P | Caricamento a ruota singola (kg) | Tipo di frame |
| W-36cs-SUS | 36x9x8.2x28 | M8X40L | 42x60x32x45x2.0 | 47 | 1800 · 2400 · 3000 | 50,75 · 100 · 150 | 40 | J |

Tipo D*w*d*b Lancia Dimensione del telaio ...
| Tipo | D*w*d*b | Lancia | Dimensione del telaio H*W1*W2*W3*T. | Altezza H | Lunghezza L | Pitch ruota P | Caricamento a ruota singola (kg) | Tipo di frame |
| W-36BW-SUS | 36x9x8.2x14 | M8X55L | 46x60x33 × 71 1.5 2.0 | 52 | 1800 · 2400 · 3000 | 50 · 75 · 100 · 150 | 40 | K |

Tipo D*w*d*b Lancia Dimensione del telaio ...
| Tipo | D*w*d*b | Lancia | Dimensione del telaio H*W1*W2*W3*T. | Altezza H | Lunghezza L | Pitch ruota P | Caricamento a ruota singola (kg) | Tipo di frame |
| W-38SUS | 38x12x6.4x25 | M6X38L | 45x29x10x42x2.0 | 52 | 1800 · 2400 · 3000 | 50 · 75 · 100 · 150 | 20 | A |

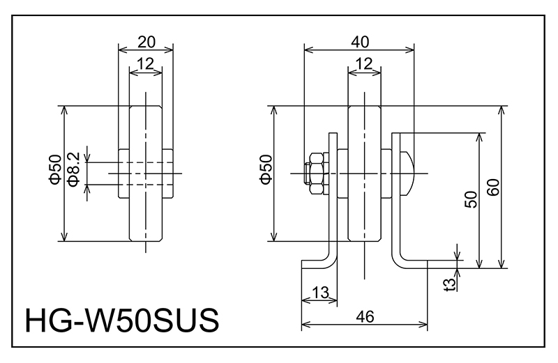
Tipo D*w*d*b Lancia Dimensione del telaio ...
| Tipo | D*w*d*b | Lancia | Dimensione del telaio H*W1*W2*W3*T. | Altezza H | Lunghezza L | Pitch ruota P | Caricamento a ruota singola (kg) | Tipo di frame |
| HG-W50SUS | 50x12x8.2x20 | M8X35L | 50x46x13x40x3.0 | 60 | 1800 · 2400 · 3000 | 75 · 100 · 150 · 200 | 80 | C |

Tipo D*w*d*b Caricamento (kg) W-38ts ...
| Tipo | D*w*d*b | Caricamento (kg) |
| W-38ts | 38x12x6.5x25 | 20 |
| W-40SL | 40x20x6.5x26 | 20 |
| W-50ts | 49.2x15.5x8x25 | 40 |
| W-3850D | 38.1x50x12.2x63 | 130 |
| W-4850D | 48.6x50x12.2x63 | 200 |
| W-5750p | 57x50x12.2x55 | 60 |
| W-5750D | 57.2x50x12.2x63 | 200 |
| W-6050D | 60.5x50x12.2x6 | 200 |

Tipo D*w*d*b Caricamento (kg) W-1225bs ...
| Tipo | D*w*d*b | Caricamento (kg) |
| W-1225bs | 12x25x4.1x27 | 35 |
| W-2015BS | 20x15x6.1x17 | 30 |
| W-2025BS | 20x25x6.2x27 | 40 |
| W-2050BS | 20x50x6.2x52 | 50 |
| W-20100bs | 20x100x6.2x102 | 50 |
| W-25bs-13 | 25x9x6.2x13 | 30 |
| W-25BS | 25x9x6.2x16 | 30 |
| W-2523BS | 25x23x8.2x25 | 50 |
| W-30BS | 30x50x10.5x55 | 160 |
| W-32BS | 32x25x8.2x28 | 90 |
| W-36BW-6 | 36x9x6.2x14 | 40 |
| W-36BS | 36x9x6.2x25 | 40 |
| W-36BW | 36x9x8.2x14 | 40 |
| W-36cs | 36x9x8.2x28 | 40 |
| W-50BS | 50x14.5x8.2x20 | 80 |
| W-50DS-8 | 50x14.5x8.2x32 | 100 |
| W-50DS-10 | 50x14.5x10.2x20 | 100 |
| W-50DS-12 | 50x14.5x12.2x20 | 100 |
| HW-76DS | 76.3x30x30x44 | 1000 |

Tipo D*w*d*b Caricamento (kg) W-2015Sus ...
| Tipo | D*w*d*b | Caricamento (kg) |
| W-2015Sus | 20x15x6.1x17 | 30 |
| W-2025SUS | 20x25x6.1x27 | 40 |
| W-25sus | 25x9x6.2x16 | 30 |
| W-2523SUS | 25x23x8.2x25 | 50 |
| W-36BW-SUS | 36x9x8.2x14 | 40 |
| W-36cs-SUS | 36x9x8.2x28 | 40 |
| HG-W36SUS | 36x9x6.2x25 | 40 |
| HG-W50SUS | 50x12x8.2x20 | 80 |

Tipo D*w*d*b Caricamento (kg) W-2015Cr ...
| Tipo | D*w*d*b | Caricamento (kg) |
| W-2015Cr | 20x15x6.2x17 | 30 |
| W-2025Cr | 20x25x6.2x27 | 40 |
| W-25Cr | 25x9x6.2x16 | 30 |
| W-2523Cr | 25x23x8.2x25 | 50 |
| W-32Cr | 32x25x8.2x28 | 90 |
| W-36BW-Cr | 36x9x8.2x14 | 40 |
| W-36cs-cr | 36x9x8.2x28 | 40 |
| W-36BS-CR | 36x9x6.2x25 | 40 |
| W-36BS-3R | 36x9x6.2x25 | 40 |
| W-3850D-CR | 38.1x50x12.2x63 | 130 |
| W-50DS-CR | 50x14.5x12.2x20 | 100 |
| W-50BS-CR | 50x14.5x8.2x20 | 80 |

Tipo D*w*d*b Caricamento (kg) W-2015Cr ...
| Tipo | D*w*d*b | Caricamento (kg) |
| W-2015Cr | 20x15x6.2x17 | 30 |
| W-2025Cr | 20x25x6.2x27 | 40 |
| W-25Cr | 25x9x6.2x16 | 30 |
| W-2523Cr | 25x23x8.2x25 | 50 |
| W-32Cr | 32x25x8.2x28 | 90 |
| W-36BW-Cr | 36x9x8.2x14 | 40 |
| W-36cs-cr | 36x9x8.2x28 | 40 |
| W-36BS-CR | 36x9x6.2x25 | 40 |
| W-36BS-3R | 36x9x6.2x25 | 40 |
| W-3850D-CR | 38.1x50x12.2x63 | 130 |
| W-50DS-CR | 50x14.5x12.2x20 | 100 |
| W-50BS-CR | 50x14.5x8.2x20 | 80 |
Perché la manutenzione del trasportatore a rulli influisce direttamente sulla durata del sistema Trasp...
PER SAPERNE DI PIÙCosa rende un trasportatore a rulli veramente resistente? Un trasportatore a rulli per carichi pesanti non...
PER SAPERNE DI PIÙCosa sono i trasportatori a rulli e perché il tipo è importante? Trasportatori a rulli sono siste...
PER SAPERNE DI PIÙPerché i trasportatori a rulli rimangono la spina dorsale della movimentazione dei materiali Trasporta...
PER SAPERNE DI PIÙSistemi di trasporto spostano milioni di tonnellate di materiale ogni giorno attraverso fabbriche, maga...
PER SAPERNE DI PIÙI principali tipi di sistemi di trasporto a nastro in breve Trasportatore a nastro i sistemi rien...
PER SAPERNE DI PIÙPortare l'artigianato al futuro.
No.60, Zhenhu North Road, città di Hudai, distretto di Binhu , Wuxi 214100, Cina
+86 139-2153-1116
+86-510-8558 1519/8558 1530
+86-510-8558 1520