W-26ps (all'interno)
Cat:Trasportatore di ruote in resina
Tipo Dimensione del rullo D*w*d*b Lancia ...
Struttura avanzata, prestazioni di alta qualità, facile da usare, alta affidabilità e durata.
Le ruote del trasportatore di ruote fluide in gomma /resina sono materiale in gomma /poliuretano o resina rivestito in acciaio. Il materiale del telaio è generalmente realizzato in acciaio zincato, plastica spray o acciaio inossidabile. Il trasportatore a ruota fluente di gomma /resina è generalmente utilizzato in luoghi resistenti all'usura.

Tipo Dimensione del rullo D*w*d*b Lancia ...
| Tipo | Dimensione del rullo D*w*d*b | Lancia | Dimensione del telaio H × W1 × W2 × W3 × T. | Altezza H | Lengeh L | Pitch ruota P | Caricamento a ruota singola (kg) | Materiale a rulli |
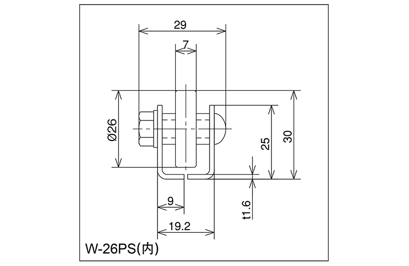
| W-26ps (all'interno) | 26 × 8 × 6 × 16 | M6 × 25L | 25 × 19,2 × 9 × 29 × 1.6 | 30 | 1000 · 1500 · 2000 | 30 · 35 | 30 | Pom |

Tipo Dimensione del rullo D*w*d*b Lancia ...
| Tipo | Dimensione del rullo D*w*d*b | Lancia | Dimensione del telaio H × W1 × W2 × W3 × T. | Altezza H | Lengeh L | Pitch ruota P | Caricamento a ruota singola (kg) | Materiale a rulli |
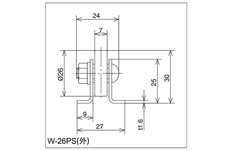
| W-26ps (esterno) | 26 × 8 × 6 × 10 | M6 × 20L | 25 × 28 × 9 × 24 × 1.6 | 30 | 1000 · 1500 · 2000 | 30 · 35 | 30 | Pom |

Tipo Dimensione del rullo D*w*d*b Lancia ...
| Tipo | Dimensione del rullo D*w*d*b | Lancia | Dimensione del telaio H × W1 × W2 × W3 × T. | Altezza H | Lengeh L | Pitch ruota P | Caricamento a ruota singola (kg) | Materiale a rulli |
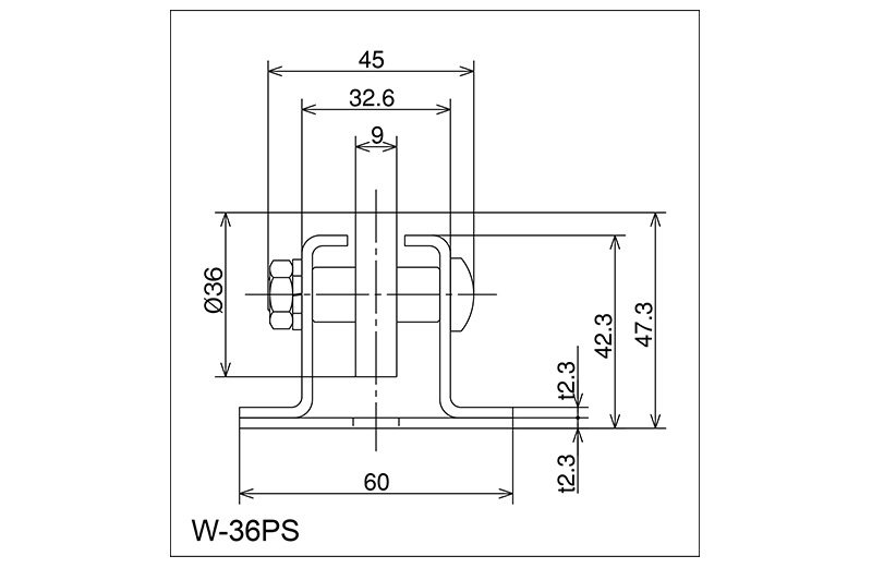
| W-38GS | 38 × 12 × 6 × 27 | M6 × 38L | 45 × 32,6 × 10 × 42 × 2,3 | 52 | 1800 · 2400 · 3000 | 50 · 75 · 100 · 150 | 30 | Pom |

Tipo Dimensione del rullo D*w*d*b Lancia ...
| Tipo | Dimensione del rullo D*w*d*b | Lancia | Dimensione del telaio H × W1 × W2 × W3 × T. | Altezza H | Lengeh L | Pitch ruota P | Caricamento a ruota singola (kg) | Materiale a rulli |
| WB-36PS | 36 × 9 × 8 × 28 | M8 × 40L | 42,3 × 60 × 32 × 45 × 1.6 2.3 | 49.3 | 1800 · 2400 · 3000 | 50 · 75 · 100 | 10 | Pom |

Tipo Dimensione del rullo D*w*d*b Lancia ...
| Tipo | Dimensione del rullo D*w*d*b | Lancia | Dimensione del telaio H × W1 × W2 × W3 × T. | Altezza H | Lengeh L | Pitch ruota P | Caricamento a ruota singola (kg) | Materiale a rulli |
| SW-38GS | 38 × 12 × 6 × 27 | M6 × 38L | 45 × 31 × 8,5 × 42 × 1.8 | 53 | 1800 · 2400 · 3000 | 50 · 75 · 100 · 150 | 30 | Pom |

Tipo Dimensione del rullo D*w*d*b Lancia ...
| Tipo | Dimensione del rullo D*w*d*b | Lancia | Dimensione del telaio H × W1 × W2 × W3 × T. | Altezza H | Lengeh L | Pitch ruota P | Caricamento a ruota singola (kg) | Materiale a rulli |
| W-36ps | 36 × 9 × 8 × 28 | M8 × 40L | 42,3 × 60 × 32,6 × 45 × 2,3 | 47.3 | 1800 · 2400 · 3000 | 50 · 75 · 100 · 150 | 10 | Pom |

Tipo Dimensione del rullo D*w*d*b Lancia ...
| Tipo | Dimensione del rullo D*w*d*b | Lancia | Dimensione del telaio H × W1 × W2 × W3 × T. | Altezza H | Lengeh L | Pitch ruota P | Caricamento a ruota singola (kg) | Materiale a rulli |
| W-36pw | 36 × 9 × 8 × 14 | M8 × 55L | 46,3 × 60 × 33 × 71 × 1.6 2.3 | 52.3 | 1800 · 2400 · 3000 | 50 · 75 · 100 · 150 | 10 | Pom |
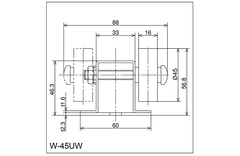
| W-45uw | 45 × 16 × 8 × 22 | M8 × 65L | 46,3 × 60 × 33 × 87 × 1.6 2.3 | 56.8 | 1800 · 2400 · 3000 | 50 · 75 · 100 · 150 | 25 | ABS |

Tipo Dimensione del rullo D*w*d*b Lancia ...
| Tipo | Dimensione del rullo D*w*d*b | Lancia | Dimensione del telaio H × W1 × W2 × W3 × T. | Altezza H | Lengeh L | Pitch ruota P | Caricamento a ruota singola (kg) | Materiale a rulli |
| W-45uw | 45 × 16 × 8 × 22 | M8 × 65L | 46,3 × 60 × 33 × 87 × 1.6 2.3 | 56.8 | 1800 · 2400 · 3000 | 50 · 75 · 100 · 150 | 25 | ABS |

Tipo D*w*d*b Caricamento (kg) W-2515RB ...
| Tipo | D*w*d*b | Caricamento (kg) |
| W-2515RB | 25x15x6.2x17 | 30 |
| W-30RB | 30x9x6.2x16 | 25 |
| W-37RW-Si | 37x9x8.2x14 | 25 |
| W-3812R | 38x28x12.2x32 | 80 |
| W-40SR-KR | 40x9x6.2x25 | 20 |
| W-40SR-Si | 40x9x6.2x25 | 20 |
| W-40RW-KR | 40x9x8.2x14 | 20 |
| W-40RW-SI | 40x9x8.2x14 | 20 |
| W-40rs-Kr | 40x9x8.2x28 | 20 |
| W-40rs-Si | 40x9x8.2x28 | 20 |
| W-45rs | 45x12x6.4x25 | 10 |
| SW-45RS | 45x12x6.4x27 | 10 |
| W-60R-KR | 60x13x12.2x20 | 50 |
| W-60R-Si | 60x13x12.2x20 | 50 |

Tipo D*w*d*b Caricamento (kg) W-3825pu ...
| Tipo | D*w*d*b | Caricamento (kg) |
| W-3825pu | 38x25x8.2x28 | 50 |
| W-40pu | 40x9x6.2x25 | 30 |
| W-40ru-ao | 40x9x6.2x25 | 30 |
| W-40RUS-AO | 40x9x8.2x28 | 30 |
| W-40RUW-AO | 40x9x8.2x14 | 30 |
| W-60pu | 60x14.5x8.2x20 | 50 |
| W-60pu-12 | 60x14.5x12.2x20 | 50 |
| W-60ru-ao | 60x13x12.2x20 | 50 |
Perché la manutenzione del trasportatore a rulli influisce direttamente sulla durata del sistema Trasp...
PER SAPERNE DI PIÙCosa rende un trasportatore a rulli veramente resistente? Un trasportatore a rulli per carichi pesanti non...
PER SAPERNE DI PIÙCosa sono i trasportatori a rulli e perché il tipo è importante? Trasportatori a rulli sono siste...
PER SAPERNE DI PIÙPerché i trasportatori a rulli rimangono la spina dorsale della movimentazione dei materiali Trasporta...
PER SAPERNE DI PIÙSistemi di trasporto spostano milioni di tonnellate di materiale ogni giorno attraverso fabbriche, maga...
PER SAPERNE DI PIÙI principali tipi di sistemi di trasporto a nastro in breve Trasportatore a nastro i sistemi rien...
PER SAPERNE DI PIÙPortare l'artigianato al futuro.
No.60, Zhenhu North Road, città di Hudai, distretto di Binhu , Wuxi 214100, Cina
+86 139-2153-1116
+86-510-8558 1519/8558 1530
+86-510-8558 1520



