60 frame si/gi trasportatore a cintura piccola
Cat:Trasportatore a cinghia di tipo standard
Tipo standard SI ● Questo è il tipo standard di trasportatore a cinghia da 34 mm, il cent...
Struttura avanzata, prestazioni di alta qualità, facile da usare, alta affidabilità e durata.

Tipo standard SI ● Questo è il tipo standard di trasportatore a cinghia da 34 mm, il cent...
Tipo standard SI
● Questo è il tipo standard di trasportatore a cinghia da 34 mm, il centro di guida viene spostato dalla cinghia di distribuzione.
● La cintura ha una buona capacità di silenzio e indossabilità.
Tipo di guida GI
● Questo tipo di trasportatore a cinghia va con la cintura gibbosa orientata, che può garantire il movimento in modo più fluido e costante; Conveniente da utilizzare con altre attrezzature, adatte ad alte situazioni di tempo e stabilità.
● Inoltre, in senso orario e in senso antiorario può essere scelto da diverse condizioni e colori diversi per scopi diversi.
Dimensione standard
| Larghezza della cintura | 200 | 250 | 300 | 350 | 400 | 500 | 600 | (700) | (800) |
| Larghezza del trasportatore | 280 | 330 | 380 | 430 | 480 | 580 | 680 | (780) | (880) |
| Lunghezza del trasportatore | 500 | 1000 | 2000 | 3000 | 4000 | 5000 | 6000 | 7000 | 8000 |
I modelli con larghezze della cinghia di 700 e 800 sono prodotti standard.
| Altezza | 195 | Energia | AC100V (monofase) · AC200V (monofase) · AC200V (trifase) |
| Velocità | Velocità fissa/variabile | Cintura | Cintura poliuretano |
| Capacità | Tabella di abilità di riferimento | Opzione | Supporto, guida, altri |
| Potenza motoria | 60W 、 90W |
Se la lunghezza supera i 6 m, il punto centrale va con la struttura di supporto della cintura.
Velocità della cinghia
| Rapporto | Velocità n. | Velocità fissa 50/60 (Hz) (m/min) | Velocità n. | Velocità variabile 50/60 (Hz) (m/min) |
| 1/180 | T1 | 1.9/2.3 | H1 | 0,13 ~ 2,5 |
| 1/2050 | T2 | 2.3/2.7 | H2 | 0,15 ~ 3.0 |
| 1/2020 | T3 | 2.8/3.4 | H3 | 0,19 ~ 3,8 |
| 1/2000 | T4 | 3.4/4.1 | H4 | 0,23 ~ 4,5 |
| 1/90 | T5 | 3.8/4.5 | H5 | 0,26 ~ 5,1 |
| 1/75 | T6 | 4.6/5.5 | H6 | 0,31 ~ 6,1 |
| 1/60 | T7 | 5.7/6.8 | H7 | 0,38 ~ 7,6 |
| 1/50 | T8 | 6.8/8.2 | H8 | 0.46 ~ 9.1 |
| 1/36 | T9 | 9.5/11.4 | H9 | 0,63 ~ 12,6 |
| 1/30 | T10 | 11.4/13.7 | H10 | 0.76 ~ 15.2 |
| 1/25 | T11 | 13.7/16.4 | H11 | 0.91 ~ 18.2 |
| 1/18 | T12 | 19.0/22.8 | H12 | 1.27 ~ 25.3 |
| 1/15 | T13 | 22.8/27.3 | H13 | 1.52 ~ 30.4 |
| 1/12.5 | T14 | 27.3/32.8 | H14 | 1.82 ~ 36.4 |
| 1/9 | T15 | 37.9/45.5 | H15 | 2,53 ~ 50.6 |
Calcolo della velocità della velocità fissa: rotazione velocità 1500/1800 giri/min (50/60Hz), rullo di guida ∅76,3, Efficienza di guida: 95%
Calcolo della velocità della velocità variabile: rotazione velocità 2000 giri / min (50; 60Hz), rullo di guida ∅76.3, Efficienza di guida: 95%
Se è richiesta una velocità esatta, scegli i moduli variabili.
Tabella delle abilità
Si tratta di dati di capacità del carico di dispersione uguale. Come merci a forma di sacchetti in movimento, per favore, il 40% dei dati di capacità about.
La specifica di 500.600 larghezza della cinghia è dell'80% dei dati di capacità di abbassatura.
La capacità verrà modificata da diverse condizioni.
Potenza standard
L'assemblaggio standard è motore CC senza spazzole e unità di controllo al modello a velocità variabile.
Da bassa velocità ad alta velocità con torsione esportabile immobile.
Speed Extension 100R/min ~ 2000r/min può essere regolabile. (Proporzione di velocità 1:20)
Disegno

Dimensione standard Larghezza della cintura 200 250 ...
Dimensione standard
| Larghezza della cintura | 200 | 250 | 300 | 350 | 400 | 500 | 600 | 700 | 800 |
| Larghezza del trasportatore | 280 | 330 | 380 | 430 | 480 | 580 | 680 | 780 | 880 |
| Lunghezza del trasportatore | 500 | 1000 | 2000 | 3000 | 4000 | 5000 | 6000 | 7000 | 8000 |
| Altezza | 277 | Energia | AC100V (monofase) · AC200V (monofase) · AC200V (trifase) · DC24V (diretto) |
| Velocità | Velocità fissa/variabile | Cintura | Cintura poliuretano |
| Capacità | Tabella di abilità di riferimento | Opzione | Supporto, altri |
| Potenza motoria | 60W 、 90W 、 120W |
La dimensione effettiva della cinghia è ridotta 5 mm rispetto alla cinghia standard; LF La lunghezza della macchina supera i 4 m ridotti 10 mm.
Tabella delle abilità
Si tratta di dati di capacità del carico di dispersione uguale. Come merci a forma di sacchetti in movimento, fare riferimento al 40% dei dati di capacità di abovare.
La capacità verrà modificata da diverse condizioni.
Disegno

Trasporto inclinati di tipo inclinato L'angolo di inclinazione massimo può raggiungere i ...
Trasporto inclinati di tipo inclinato
L'angolo di inclinazione massimo può raggiungere i 45 gradi
La copertura di protezione e la tramoggia possono essere scelte come richiesta
Dimensione standard
| Larghezza della cintura | 300 | 400 | 500 | 600 |
| Larghezza della cintura efficace | 200 | 300 | 400 | 500 |
| Larghezza del trasportatore | 380 | 480 | 580 | 680 |
| Capo della consegna | 2500 | |||
| Altezza | 300h (H1) | Energia | FISSO: AC200V (trifase) · AC100V (monofase) Variabile: AC200V (monofase) · AC200V (trifase) |
| Velocità | Velocità fissa/variabile | Cintura | Cintura di tipo berretto poliuretano; Colore: verde |
| Capacità | Tabella di abilità di riferimento | Opzione | Supporto |
| Potenza motoria | 200 W. |
Velocità della cinghia
| Rapporto | Velocità n | Velocità fissa 50/60 (HZ) (m/min) | Velocità n. | Velocità variabile 50/60 (HZ) (m/min) |
| 1/75 | T1 | 5.3/6.4 | H1 | 2.1 ~ 6.4 |
| 1/50 | T2 | 8.1/9.6 | H2 | 3.2 ~ 9.6 |
| 1/30 | T3 | 13.4/16.1 | H3 | 5.3 ~ 16.1 |
| 1/18 | T4 | 22.3/26.8 | H4 | 8.9 ~ 26.8 |
Tabella delle abilità
| Capo della consegna | Inclinare | Potenza motoria | Velocità n | Capacità |
| 460 ~ 3800 | 30 " 45 " | 200 W. | 1 | 30 |
| 2 | 25 | |||
| 3 | 20 | |||
| 4 | 12 |
La forma in polvere e palla non può essere trasportata.
Disegno

Diverse specifiche, il peso del prodotto non è anche un trasporto molto stabile, attraverso la tr...
Diverse specifiche, il peso del prodotto non è anche un trasporto molto stabile, attraverso la trasmissione della cintura.
Dimensione standard
| Larghezza della cintura | 200 | 300 | 400 | 500 | 600 | 700 | 800 | 900 | 1000 | ||||
| Larghezza del trasportatore | 300 | 400 | 500 | 600 | 700 | 800 | 900 | 1000 | 1100 | ||||
| Lunghezza del trasportatore | 1000 | 2000 | 3000 | 4000 | 5000 | 6000 | 7000 | 8000 | |||||
| Altezza | 380 | Energia | AC100V (monofase) · AC200V (monofase) · AC200V (trifase) · AC380V (trifase) |
| Velocità | Velocità fissa/variabile | Cintura | Cintura poliuretano |
| Capacità | Tabella di abilità di riferimento | Opzione | Supporto, altri |
| Potenza motoria | 100W 、 200W 、 400W |
La dimensione effettiva della cinghia è ridotta 5 mm rispetto alla cinghia standard; LF La lunghezza della macchina supera i 4 m ridotti 10 mm.
Velocità della cinghia
| Rapporto | Velocità n. | Velocità fissa 50/60 (Hz) (m/min) | Velocità n. | Velocità variabile 50/60 (Hz) (m/min) |
| 1/450 | T1 | 1.1/1.3 | H1 | 0,1 ~ 1,1/0,45-1,3 |
| 1/375 | T2 | 1.4/1.6 | H2 | 0,45 ~ 1,4/0,51 ~ 1,6 |
| 1/300 | T3 | 1.7/2.0 | H3 | 0,56 ~ 1,7/0,68 ~ 2,0 |
| 1/200 | T4 | 2.6/3.1 | H4 | 0,85 ~ 2,6/1.0 ~ 3.1 |
| 1/160 | T5 | 3.2/3.8 | H5 | 1.1 ~ 3.2/1.3 ~ 3.5 |
| 1/2020 | T6 | 4.3/5.1 | H6 | 1.4 ~ 4.3/1.7 ~ 5.1 |
| 1/2000 | T7 | 5.1/6.1 | H7 | 1.7 ~ 5.1/2.0 ~ 6.1 |
| 1/80 | T8 | 6.4/7.7 | H8 | 2.1 ~ 6.4/2.6 ~ 7.7 |
| 1/60 | T9 | 8.5/10.2 | H9 | 2.8 ~ 8.5/3.4 ~ 10.2 |
| 1/50 | T10 | 10.2/12.2 | H10 | 3.4 ~ 10.2/4.1 ~ 12.2 |
| 1/40 | T11 | 12.8/15.3 | H11 | 4.3 ~ 12.8/5.1 ~ 15.3 |
| 1/30 | T12 | 17.0/20.4 | H12 | 5.7 ~ 17.0/6.8 ~ 20.4 |
| 1/25 | T13 | 20.4/24.5 | H13 | 6.8 ~ 20.4/8.2 ~ 24.5 |
| 1/20 | T14 | 20.5/30.6 | H14 | 8.5 ~ 25.5/10.2 ~ 30.6 |
| 1/15 | T15 | 34,0/40.8 | H15 | 11.3 ~ 34.0/13.6 ~ 40.8 |
Calcolo della velocità della velocità fissa Ruota Speed1500/1800 giri/min (50/60Hz) rullo di guida ∅124, efficienza di guida: 95%
Se è richiesta una velocità esatta, scegli i moduli variabili.
L'inverter di tipo di trasmissione standard.
Tabella delle abilità
Si tratta di dati di capacità del carico di dispersione uguale. Come in movimento di bacchetti in movimento, si prega di fare riferimento al 40% dei dati di capacità di abovare.
La capacità verrà modificata da diverse condizioni.
Disegno

Sorgente guidata Scegliere il rullo motorizzato di tipo rafforzare, rendere possibile l'alte...
Sorgente guidata Scegliere il rullo motorizzato di tipo rafforzare, rendere possibile l'altezza della parte guidata 120 mm Possiamo produrre un rullo motorizzato impermeabile (selezionabile).
Dimensione standard
| Larghezza della cintura | 300 | 400 | 500 | 600 | ||||
| Larghezza del trasportatore | 390 | 490 | 590 | 690 | ||||
| Lunghezza del trasportatore | 500 | 1000 | 1500 | 2000 | 2500 | 3000 | 3500 | 4000 |
| Altezza | 120 | Energia | AC100V (monofase) · AC200V (monofase) · AC200V (trifase) · AC380V (trifase) |
| Velocità | Velocità fissa/variabile | Cintura | Cintura poliuretano |
| Capacità | Tabella di abilità di riferimento | Opzione | Supporto, altri |
| Potenza motoria | 100W |
La dimensione effettiva della cinghia è narowed 10 mm rispetto alla cinghia standard.
Velocità della cinghia
| Velocità n. | Velocità fissa 50/60 (Hz) (m/min) | Velocità n. | Velocità variabile 50/60 (Hz) (m/min) | Potenza motoria |
| T1 | 5.4/5.6 | H1 | 2.1 ~ 6.4 | 100W |
| T2 | 7.7/9.2 | H2 | 3.1 ~ 9.2 | |
| T3 | 106./12.7 | H3 | 4.2 ~ 12.7 | |
| T4 | 15.8/18.8 | H4 | 6.3 ~ 18.8 | |
| T5 | 18.4/22.0 | H5 | 7.3 ~ 22.0 | |
| T6 | 20.3/24.2 | H6 | 8.0 ~ 24.2 | |
| T7 | 24.3/28.9 | H7 | 9.6 ~ 28.9 |
L'inverter di tipo di trasmissione standard.
Disegno

Tipo Tipo scalabile GSBC Cintura PVC Pu ...
| Tipo | Tipo scalabile GSBC |
| Cintura | PVC Pu |
| Larghezza della cintura mm | 300 ~ 1200 |
| Corsa telescopica mm | 300 ~ 1200 |
| Metodo di guida | Telescopio a catena in esecuzione: cinghia di distribuzione |
| Motore in esecuzione | Motore asincrono (servo opzionale) |
| Motore telescopico | Servo |
| Trasportatore altezza mm | min375mm |
| Trasportatore larghezza mm | BW 130 |
| Capacità di carico (kg/m) | Capacità di carico della macchina intera≤20 kg |
| Velocità v1 (m/min) | max90 |
| Velocità v2 (m/min) | max60 |
| Modalità di controllo telescopica | Imposta qualsiasi posizione di arresto telescopica all'interno dell'intervallo di gradini, continui e viaggi |
| Potenza del motore (KW) | 0.4、0.75、1.5 |
| Tensione di alimentazione elettrica (V) | 3PH380V |
Disegno

Attraverso la cooperazione tra la ruota guida e la guida guida, la cintura può essere tirata e gu...
Attraverso la cooperazione tra la ruota guida e la guida guida, la cintura può essere tirata e guidata per correre.
Caratteristiche: basso costo, carico leggero e bassa velocità.
Dimensione standard
HCII-S
| Larghezza della cintura | 200 | 300 | 400 | 500 |
| Larghezza del trasportatore | 520 | 620 | 720 | 820 |
| Angolo | 90 | Potenza motoria | 90W 、 120W 、 200W |
| Altezza | 270 a 1100 piedi di altezza con | Energia | AC100V (monofase) · AC200V (monofase) · AC200V (trifase) |
| Velocità | Velocità fissa/variabile | Cintura | Cintura poliuretano |
| Capacità | 10 kg/set (quando carico disperso orizzontalmente) |
Come merci a forma di sacchetto in movimento, si prega di retrocedere al 40% dei dati di capacità di abovare.
HCII-M
| Larghezza della cintura | 300 | 400 | 500 | 600 |
| Larghezza del trasportatore | 680 | 780 | 880 | 980 |
| Angolo | 90 | Potenza motoria | 200W 、 400W |
| Altezza | Si prega di specificare, le gambe sono opzionali | Energia | AC200V (trifase) |
| Velocità | Velocità fissa | Cintura | Cintura poliuretano |
| Capacità | 40 kg/set (quando carico orizzontalmente disperso) |
Come merci a forma di sacchetto in movimento, si prega di retrocedere al 40% dei dati di capacità di abovare.
Velocità della cinghia HCII-S
| Rapporto | Velocità n. | Velocità fissa 50/60 (Hz) (m/min) | Velocità n | Velocità variabile 50/60 (HZX (m/min) |
| 1/180 | T1 | 16./1.9 | H1 | 0.11 ~ 2.1 |
| 1/2050 | T2 | 1.8/2.2 | H2 | 0,13 ~ 2,5 |
| 1/2020 | T3 | 2.3/2.8 | H3 | 0,16 ~ 3.1 |
| 1/90 | T4 | 3.1/3.7 | H4 | 0.21-4.2 |
| 1/75 | T5 | 3.8/4.5 | H5 | 0,25 ~ 5,0 |
| 1/60 | T6 | 4.7/5.6 | H6 | 0,31 ~ 6,2 |
| 1/50 | T7 | 5.6/6.7 | H7 | 0,38 ~ 7,5 |
| 1/36 | T8 | 7.8/9.4 | H8 | 0,52-10,4 |
| 1/30 | T9 | 9.3/11.2 | H9 | 0,63 ~ 12,5 |
| 1/25 | T10 | 11.3/13.5 | H10 | 0,75 ~ 15,0 |
| 1/18 | T11 | 15.6/18.7 | H11 | 1.04 ~ 20.8 |
| 1/15 | T12 | 18.8/22.5 | H12 | 1.25 ~ 25.0 |
| 1/12.5 | T13 | 22.5/27.0 | H13 | 1,50 ~ 30.0 |
Velocità della cinghia HCII-M
| Rapporto | Velocità n. | Velocità fissa 50/60 (Hz) (m/min) |
| 1/2020 | T1 | 15/18 |
| 1/90 | T2 | 20/24 |
Calcolo della velocità della velocità fissa: rotazione velocità 1500/1800 giri/min (50/60Hz), rullo di guida ф82,3, efficienza di guida: 95%
Calcolo della velocità della velocità variabile: rotazione velocità 2000 giri / min (50; 60Hz), rullo di guida ф82,3, efficienza di guida: 95%
Disegno

Attraverso la cooperazione tra la ruota guida e la barra guida, la cintura viene tirata e guidata...
Attraverso la cooperazione tra la ruota guida e la barra guida, la cintura viene tirata e guidata per correre.
Caratteristiche: basso rumore, alta velocità e persino forza della cinghia.
Dimensione standard
| Larghezza della cintura | 200 | 300 | 400 | 500 | 600 | 700 | 800 |
| Larghezza del trasportatore | 520 | 620 | 720 | 820 | 920 | 1020 | 1120 |
| Angolo | 90 | Potenza motoria | 200W 、 370W 、 750W |
| Altezza | 380 a 1100 piedi di altezza con | Energia | A (AC110V monofase) B (AC200V monofase) C (AC200V/380V trifase) |
| Velocità | Velocità fissa | Cintura | Cintura poliuretano |
| Capacità | 100 kg/set (quando carico orizzontalmente disperso) |
Come merci a forma di sacchetto in movimento, si prega di retrocedere al 40% dei dati di capacità di abovare.
Velocità della cinghia
| Rapporto | Velocità n. | Velocità fissa 50/60 (Hz) (m/min) | Velocità n. | Velocità variabile 50Hz (m/min) |
| 1/180 | T1 | 1.6/1.9 | H1 | 0,09-1,7 |
| 1/2050 | T2 | 1.9/2.3 | H2 | 0.1-2.1 |
| 1/2020 | T3 | 2.4/2.9 | H3 | 0.13-2.6 |
| 1/90 | T4 | 3.2/3.8 | H4 | 0,17-3,5 |
| 1/75 | T5 | 3.8/4.6 | H5 | 0,2-4,2 |
| 1/60 | T6 | 4.9/5.8 | H6 | 0.25-5.1 |
| 1/50 | T7 | 5.8/6.9 | H7 | 0.3-6.2 |
| 1/36 | T8 | 8/9.5 | H8 | 0.4 ~ 8,6 |
| 1/30 | T9 | 9.5/11.5 | H9 | 0,5-10,4 |
| 1/25 | T10 | 11.5/13.7 | H10 | 0.6-12.4 |
| 1/18 | T11 | 15,9/19 | H11 | 0.9-17.3 |
| 1/15 | T12 | 19.3/22.3 | H12 | 1 ~ 20.6 |
| 1/12.5 | T13 | 23/27.4 | H13 | 1.2-24.8 |
| 1/7.5 | T14 | 38.3/45.8 | H14 | 2.1-41.4 |
| 1/5 | T15 | 57.5/68.6 | H15 | 3.1-62 |
| 1/3.6 | T16 | 79,9/95.4 | H16 | 4.3-86.1 |
| 1/3 | T17 | 95.8/114.4 | H17 | 5.2-103.4 |
Calcolo della velocità della velocità fissa: rotazione velocità 1500/1800 giri/min (50/60Hz), rullo di guida ф82,3, efficienza di guida: 95%
Calcolo della velocità della velocità variabile: rotazione velocità 2000 giri / min (50; 60Hz), rullo di guida ф82,3, efficienza di guida: 95%
Disegno

Attraverso la cooperazione tra la catena e la ruota guida, la cintura può essere tirata e guidata...
Attraverso la cooperazione tra la catena e la ruota guida, la cintura può essere tirata e guidata.
Caratteristiche: carico pesante e velocità veloce.
Dimensione standard
| Larghezza della cintura | 400 | 600 | 800 | 1000 | 1200 | 1400 | 1600 | 1800 |
| Larghezza del trasportatore | 525 | 725 | 925 | 1125 | 1325 | 1525 | 1725 | 1925 |
| Angolo | 90 | Potenza motoria | 370W 、 750W 、 1,1 KW 、 1,5kW 、 2,2KW |
| Altezza | 550 a 2000 piedi di altezza con | Energia | A (AC110V monofase) B (AC200V monofase) C (AC200V/380V trifase) |
| Velocità | Velocità fissa | Cintura | Poli (N-Vinil carbazolo) |
| Capacità | 200 kg/set (quando carico orizzontalmente disperso) |
Come merci a forma di sacchetto in movimento, si prega di retrocedere al 40% dei dati di capacità di abovare.
Velocità della cinghia
| Rapporto | Velocità n. | Speed a velocità fissa 50/60 (Hz) (m/min | Velocità n. | Velocità variabile 50Hz (m/min) |
| 1/2040 | T1 | 2.6/3.0 | H1 | 1.0-2.6 |
| 1/2020 | T2 | 2.8/3.5 | H2 | 1.1-2.8 |
| 1/2000 | T3 | 3.5/4.2 | H3 | 1.4 ~ 3.5 |
| 1/90 | T4 | 4.0/6.7 | H4 | 1.6 ~ 4.0 |
| 1/80 | T5 | 4.4/5.4 | H5 | 1.8-4.4 |
| 1/70 | T6 | 4.9/5.8 | H6 | 2.0-4.9 |
| 1/60 | T7 | 5.8/7.0 | H7 | 2.3-5.8 |
| 1/50 | T8 | 7.0/8.4 | H8 | 2.8 ~ 7.0 |
| 1/45 | T9 | 7.7/9.3 | H9 | 3.1 ~ 7.7 |
| 1/40 | T10 | 8.6/10.5 | H10 | 3.4 ~ 8.6 |
| 1/30 | T11 | 11.6/14.0 | H11 | 4.7 ~ 11.6 |
| 1/25 | T12 | 14.0/16.8 | H12 | 5.6 ~ 14.0 |
| 1/20 | T13 | 17.5/21.0 | H13 | 7.0-17.5 |
| 1/15 | T14 | 23.3/28.0 | H14 | 9.3 ~ 23.3 |
| 1/10 | T15 | 35.0/41.9 | H15 | 14.0-35.0 |
| 1/5 | T16 | 70.0/83.8 | H16 | 28.0-70.1 |
Calcolo della velocità della velocità fissa: rotazione velocità 1500/1800 giri/min (50/60Hz), rullo di guida ф82,3, efficienza di guida: 95%
Calcolo della velocità della velocità variabile: rotazione velocità 2000 giri / min (50; 60Hz), rullo di guida ф82,3, efficienza di guida: 95%
Disegno

Rappresentazione del modello Modello Tipo Lunghezza d...
Rappresentazione del modello
| Modello | Tipo | Lunghezza del rullo | Spessore | Lancia | Spessore | Energia | Voltaggio | Velocità |
| AC50 | COME | 200-1500 | 1.5 | 12 | 8 | 22W | 3PH220V (50Hz/60Hz) 3PH380V (50Hz/60Hz) 1PH220V (50Hz/60Hz) | 1m ~ 3,5 m 4m-13m 16m ~ 40m 75m-130m |
| CULO | 15 W. | |||||||
| Au | 15 W. | |||||||
| AC60/57 | COME | 200-1500 | 1.5 | 12 | 8 | 30W | 3PH220V (50Hz/60Hz) 3PH380V (50Hz/60Hz) 1PH220V (50Hz/60Hz) | 1m ~ 3,5 m 4m ~ 13m 16m-40m 75m-130m |
| CULO | 20W | |||||||
| BP | 45W | |||||||
| BPS | 20W | |||||||
| Au | 30W | |||||||
| AC60/76 | 170 ~ 1500 | 2.5 | 15 | 11 | 60W 90 W. 120w 150 W. | 3PH220V (50Hz/60Hz) 3PH380V (50Hz/60Hz) 1PH220V (50Hz/60Hz) | 1m ~ 3,6m 4.4m-133m 15.8m-48m 100,5 m ~ 181,8 m |
Dimensioni standard

Rappresentazione del modello Dimensioni standard Req...
Rappresentazione del modello
Dimensioni standard
Requisiti speciali

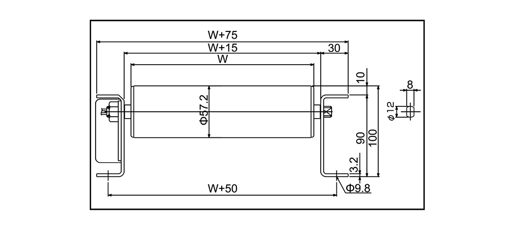
Modello SST-57A (SST-60A) Modalità di unità ...
| Modello | SST-57A (SST-60A) |
| Modalità di unità | Rullo motore (singola azione) |
| Rullo ausiliario Diametro x spessore x albero | 57,2 × 1.4x12 (60,5 × 2,3 × 12 (Galvanizzante) |
| Larghezza del rullo | 200 ~ 1.000 |
| Pitch a rulli | 75 100 150 |
| Dimensione del telaio | 90 × 30 × 3.2 |
| Lunghezza (l) | 1000 (1050) 1500 2000 (1950) 3000m |
| Larghezza del trasportatore | W 75 |
| Altezza (H) | 100 (102) |
| Capacità (kg/m) | |
| Velocità (m/min) | 50/60Hz 03 Tipo : 2.5/2.8 04 Tipo : 3.4/3.8 05 Tipo : 4.7/5.2 10 Tipo : 9.1/10.8 15 Tipo : 12.4/14.8 20 Tipo : 17.0/20.2 |
| Potenza motoria | |
| Energia | AC200V (trifase) AC380V (trifase) |
Perché la manutenzione del trasportatore a rulli influisce direttamente sulla durata del sistema Trasp...
PER SAPERNE DI PIÙCosa rende un trasportatore a rulli veramente resistente? Un trasportatore a rulli per carichi pesanti non...
PER SAPERNE DI PIÙCosa sono i trasportatori a rulli e perché il tipo è importante? Trasportatori a rulli sono siste...
PER SAPERNE DI PIÙPerché i trasportatori a rulli rimangono la spina dorsale della movimentazione dei materiali Trasporta...
PER SAPERNE DI PIÙSistemi di trasporto spostano milioni di tonnellate di materiale ogni giorno attraverso fabbriche, maga...
PER SAPERNE DI PIÙI principali tipi di sistemi di trasporto a nastro in breve Trasportatore a nastro i sistemi rien...
PER SAPERNE DI PIÙFa Wuxi Huiqian Logistics Machinery Manufacturing Co., Ltd. trasportatore di pallet Supportare più canali per gestire contemporaneamente diversi tipi di pallet?
Nel frenetico mondo della logistica e della movimentazione dei materiali, l'efficienza e l'adattabilità sono fondamentali. Le aziende richiedono sistemi che non solo soddisfano le loro esigenze immediate, ma offrano anche scalabilità, affidabilità e flessibilità di gestire i diversi tipi di merci e richieste operative. Una di queste soluzione è Wuxi Huiqian Logistics Machinery Manufacturing Co., Innovative Pallet Conveyor Systems di Ltd., progettati per semplificare i movimenti dei materiali in diversi settori. Ma la domanda rimane: i loro trasportatori di pallet possono supportare più canali per gestire contemporaneamente diversi tipi di pallet?
Versatilità nella progettazione: il nucleo della logistica efficiente
Al centro della gamma di prodotti di Wuxi Huiqian è il loro avanzato trasportatore di pallet Sistema, una soluzione meticolosamente ingegnerizzata che è una testimonianza dell'impegno dell'azienda a fondere la tecnologia giapponese con tecniche di produzione all'avanguardia. Questi sistemi sono costruiti per offrire adattabilità senza pari in ambienti ad alta richiesta. Che si tratti di un'applicazione pesante o di una configurazione più delicata e leggera, il sistema può essere personalizzato per gestire pallet di varie dimensioni, pesi e tipi.
La vera forza di Wuxi Huiqian Truffa di assemblaggio del trasportatore I sistemi risiedono nella loro capacità di operare con più canali, garantendo che diversi tipi di pallet possano essere gestiti contemporaneamente. Questa funzionalità multicanale è essenziale per i magazzini, gli impianti di produzione e i centri di distribuzione in cui le operazioni richiedono spesso il trasporto simultaneo di diversi tipi di pallet. Che si tratti di gestire articoli grandi e voluminosi o beni più fragili, più fragili, i sistemi di trasporto possono essere adattati per soddisfare questi requisiti unici con eccezionale efficienza.
La personalizzazione soddisfa la precisione
Wuxi Huiqian è molto orgoglioso di offrire soluzioni di trasporto altamente personalizzabili. La loro attenzione sul design modulare garantisce che i loro sistemi possano essere configurati per soddisfare le esigenze operative specifiche, inclusa la gestione simultanea di diversi tipi di pallet in diverse corsie. Ciò è particolarmente vantaggioso in settori come la produzione automobilistica, l'elettronica e la distribuzione degli alimenti, in cui le variazioni delle dimensioni dei pallet e dei tipi di prodotto possono creare sfide logistiche complesse.
Inoltre, l'impegno di Wuxi Huiqian per la qualità è sottolineato dall'uso di apparecchiature di elaborazione all'avanguardia e rigorosi sistemi di gestione della qualità. Ogni componente, dai rulli alle cornici, è realizzato secondo i più alti standard, garantendo non solo funzionalità ma durata a lungo termine. Se integrati nelle operazioni, i sistemi di trasporto forniscono un flusso di materiali senza soluzione di continuità, eliminando i colli di bottiglia e migliorando l'efficienza della produttività.
Tecnologia avanzata per soluzioni pronte per il futuro
Come leader nel settore manifatturiero dei macchinari logistici, Wuxi Huiqian innova continuamente, garantendo che i loro sistemi di trasporto non siano solo affidabili oggi, ma sono pronti ad adattarsi alle esigenze delle catene di approvvigionamento di domani. L'uso di tecnologie avanzate come l'automazione e il monitoraggio in tempo reale migliora ulteriormente le prestazioni dei loro trasportatori di pallet, consentendo alle aziende di monitorare e controllare il loro flusso di materiale con precisione di punta.
Per le aziende che desiderano a prova di futuro le loro operazioni, le soluzioni di Wuxi Huiqian offrono un vantaggio inestimabile. I loro sistemi possono essere facilmente integrati con altre tecnologie di automazione, offrendo scalabilità e adattabilità che garantiscono un'efficienza continua anche se le esigenze logistiche si evolvono.
Supporto post-vendita e approccio incentrato sul cliente
Un differenziatore chiave per Wuxi Huiqian è la loro dedizione alla soddisfazione del cliente. Oltre alla consegna di prodotti di alta qualità, pongono un'enfasi significativa sul servizio post-vendita, fornendo supporto tecnico e guida professionale durante il ciclo di vita dei loro sistemi. Questo impegno garantisce che ogni cliente riceva l'intero valore dal proprio investimento, con soluzioni su misura e supporto continuo per gestire anche i requisiti logistici più complessi.
Una soluzione olistica per la logistica moderna
In conclusione, Wuxi Huiqian Logistics Machinery Manufacturing Co., Ltd. si distingue come partner di fiducia nel regno della gestione dei materiali, in particolare per le industrie che richiedono sistemi avanzati, personalizzabili ed efficienti di trasporto pallet. I loro sistemi di trasporto multicanale, progettati per gestire contemporaneamente una gamma di tipi di pallet, rappresentano una soluzione sofisticata che soddisfa le esigenze delle moderne operazioni logistiche.
Se cerchi un partner in grado di elevare la tua efficienza logistica e fornire soluzioni su misura e scalabili, i sistemi di trasporto pallet di Wuxi Huiqian sono più di un semplice prodotto: sono un investimento nel successo operativo a lungo termine della tua azienda.
Portare l'artigianato al futuro.
No.60, Zhenhu North Road, città di Hudai, distretto di Binhu , Wuxi 214100, Cina
+86 139-2153-1116
+86-510-8558 1519/8558 1530
+86-510-8558 1520